EasyManua.ls Logo

Atmos A25 - Connection of Boilers DxxPX, PXxx with ATMOS ACD 03;04 Electronic Regulation

Atmos A25
96 pages
Print Icon
To Next Page IconTo Next Page
To Next Page IconTo Next Page
To Previous Page IconTo Previous Page
To Previous Page IconTo Previous Page
Loading...
EN
www.atmos.cz
28-EN
Operation and maintenance manual - EN
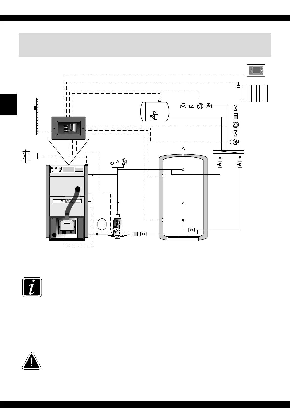
21. Connection of boilers DxxPX, PXxx with ATMOS
ACD 03/04
electronic regulation
INFO - If using electronic regulation ACD 03/04, we do not connect any set or other sensors
in the boiler.
The operation of the burner is controlled directly from the ACD 03/04 regulation.
System configuration of parameters:
for boiler
D15PX, D20PX, D25PX, PX15, PX20, PX25: S6 = 1, S14 = 0, S15 = 1
for boiler
D10PX, PX10: S6 = 0, S14 = 0, S15 = 1
CAUTION – D15PX, D20PX, D25PX, PX15, PX20, PX25 boilers has the operation of the
exhaust fan controlled from the pellet burner - rezerve R.
D10PX, PXxx boilers are without exhaust fan - R reserve is not used.
FPF
(Ts)
PF
(Tv)
MAX. 60°C
filtr
filter
mísící ventil
mixing valve
čerpadlo
pump
obytné místnosti
haritable rooms
tlakoměr,
přetlakový ventil,
odvzdušňovací ventil
pressure gauge,
safety valve,
deaerator
ventil
valve
ventil
valve
ventil
valve
filtr
filter
ventil
valve
bojler TUV
DHW boiler
ventil
valve
ventil
valve
ventil
valve
ventil
valve
vyrovnávací nádrž
buffer tank
500 - 1000 l
odvzdušňovací ventil
deaerator
Laddomat 22
A25
AF
ATMOS
ACD 01
WF
M
ARU5/10/30
VF1
SF
tlaková
expansní
nádoba
pressure
expansion
vessel
Tk
Tsv
R
ATMOS
AC
D
22,5
°c
BRE