EasyManua.ls Logo

Audison SR 4.300 - Page 34

Audison SR 4.300
39 pages
Print Icon
To Next Page IconTo Next Page
To Next Page IconTo Next Page
To Previous Page IconTo Previous Page
To Previous Page IconTo Previous Page
Loading...
User’s Manual
71
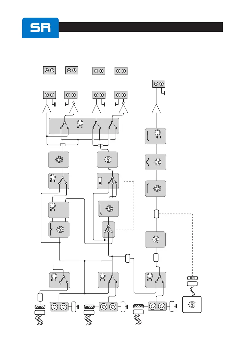
SR 5.600
REAR
LEFT
OUT
RIGHT
OUT
L
R
L
R
FRONT
L
LEFT
5CH:
OUT
OUT
RIGHT
SUB
OUT
OFF +6dB
0 dB
REMOTE
VCR - S2
(optional)
CONTROL
SUB Volume
VCA
LEVEL
MAX
MIN
AMP
R
AMP
L
AMP
R
AMP
L
AMP
MIX
RCA prot
SUB IN
L
R
RCA prot
REAR IN
L
R
RCA prot
FRONT IN
PRE-IN
(0.2 - 5V)
HI-IN
(0.8 - 20V)
PRE-IN
(0.2 - 5V)
HI-IN
(0.8 - 20V)
PRE-IN
(0.2 - 5V)
HI-IN
(0.8 - 20V)
L
R
(3CH IN)
LO
LO
HI
HI
(FRONT)
(REAR)
(REAR)
(SUB)
(SUB)
(SUB)
MODE
MODE
AMP MODE
BAND
FULL
HI
(SUB)
+120
dB
BOOST
50 Hz
HI
FULL
3ch
5ch
SUBSONIC
INPUT
ON
OFF
INPUT
ON
OFF
AUTO
TURN ON
to REMOTE IN
ON
OFF
3CH:
+
-
R
+
-
(NC)
(NC)
(NC)
(NC)
ON
OFF
25 Hz
24 dB
ART
L+R
(FRONT)
RANGE
x 10
x 1
Frequencyes
HI-PASS
(REAR)
BAND: HI-PASS
500
50
Hz
12 dB
500
50
Hz
24 dB
LO-PASS
(SUB)
(REAR)
LEVELS
MAX
MIN
LEVELS
MAX
MIN
(FRONT)
500
50
Hz
12 dB
HI-PASS
BAND: LO-PASS
(FRONT)

Related product manuals