EasyManua.ls Logo

auna multimedia TT-992E - Component Details; Phono Deck Components; Rear Panel Connections

auna multimedia TT-992E
Print Icon
To Next Page IconTo Next Page
To Next Page IconTo Next Page
To Previous Page IconTo Previous Page
To Previous Page IconTo Previous Page
Loading...
11
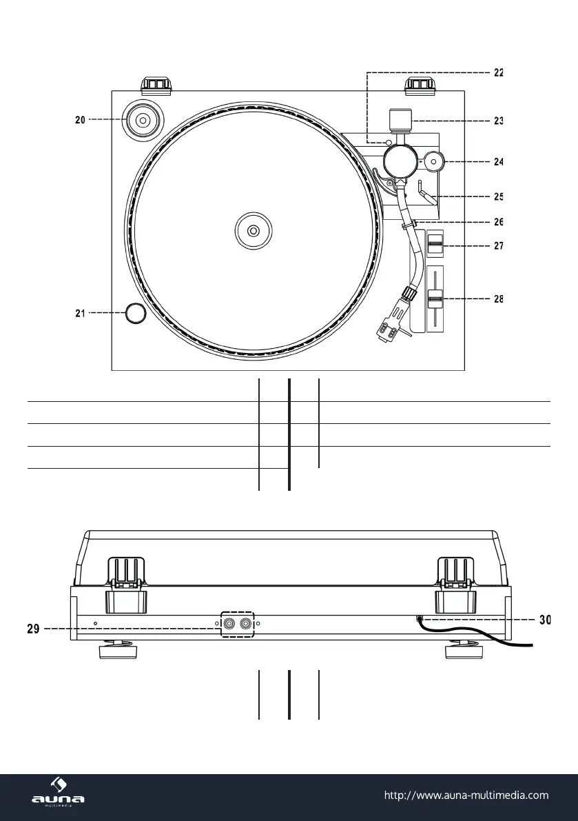
Phono deck:
Spindle adaptor ("Puck") 20 25 CUE lever
Strobe lens 21 26 Tone arm lock
Aligment screw (w/ rubber cover) 22 27 RPM switch
Counter weight 23 28 Pitch control
Anti Skating adjustment 24
Rear:
Line-Out
Connect to your home hi or PA unit with a
stereo RCA cable
29 30 Mains cable