EasyManua.ls Logo

B52 ELP 36.4 - Bridged Mode Configurations

B52 ELP 36.4
31 pages
Print Icon
To Next Page IconTo Next Page
To Next Page IconTo Next Page
To Previous Page IconTo Previous Page
To Previous Page IconTo Previous Page
Loading...
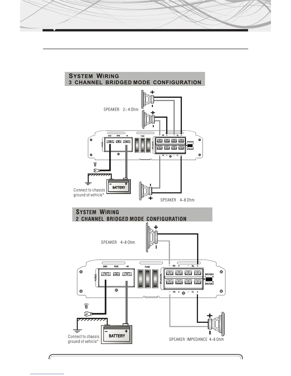
ELECTRICAL DIAGRAM
a. Mode Setup diagram Bridge (Bridge)
7