EasyManua.ls Logo

Bad Boy 1025H - Page 65

Bad Boy 1025H
268 pages
Print Icon
To Next Page IconTo Next Page
To Next Page IconTo Next Page
To Previous Page IconTo Previous Page
To Previous Page IconTo Previous Page
Loading...
B25W-202010
3
-
3
CHAPTER 3 ENGINE ACCESSORIES1025H TRACTOR
3
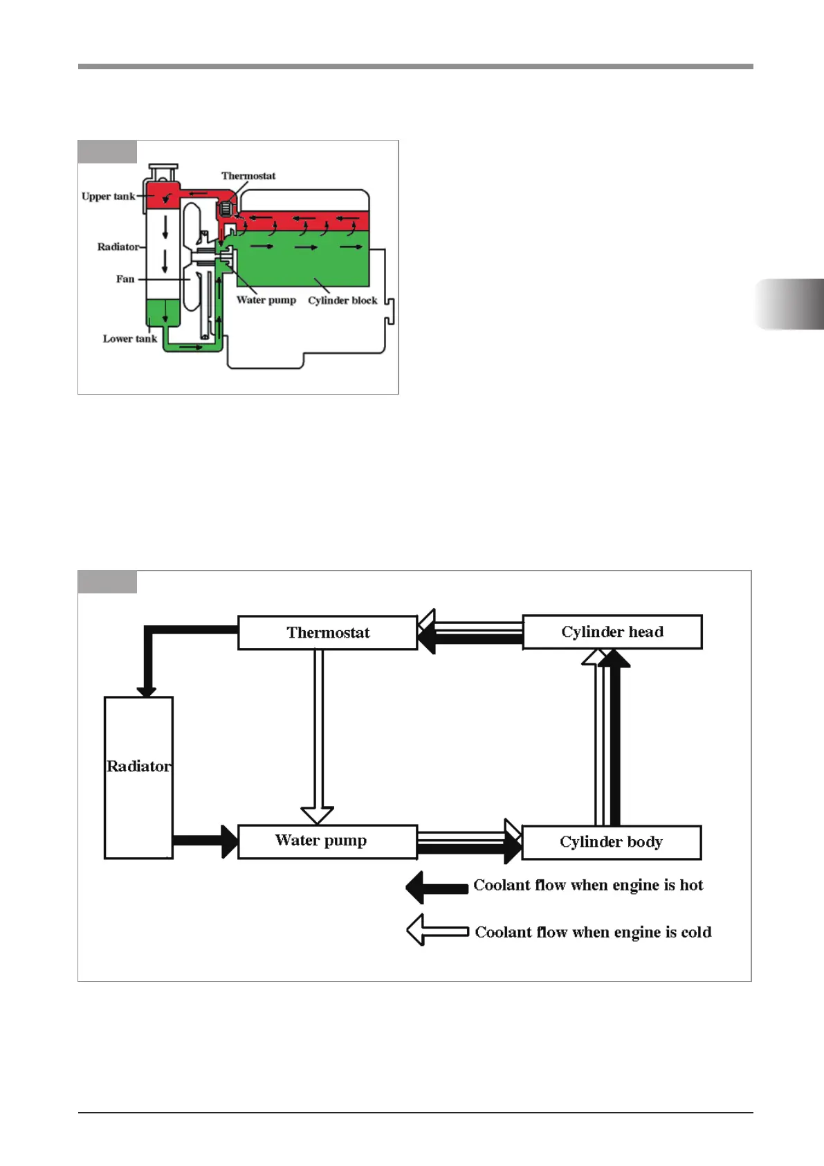
1. RADIATOR
1.1 GENERAL DESCRIPTION
K19W066A
FIG. 3-1
K19W067A
FIG. 3-2
The pressure cooling system includes mainly the
radiator, water pump, multi-blade fan, and
the thermostat. During the warm-up period, the
thermostat remains closed and coolant is directed
through by-pass to the suction side of the water pump.
Coolant then circulates through the cylinder block and
water pump only to provide a uniform and fast warm-
up period. Once the engine has reached operating
temperature, the thermostat opens and coolant is
pumped from the bottom of the radiator via the lower
hose into the cylinder block. Here it circulates through
the block and around the cylinders.
From the cylinder block, coolant is directed through
the cylinder head and into the thermostat housing.
With the thermostat open, coolant passes through
the housing and upper radiator hose into the top of
the radiator where it is circulated to dissipate heat.