EasyManua.ls Logo

Bailey PAGEANT MONARCH - Page 21

Default Icon
28 pages
Print Icon
To Next Page IconTo Next Page
To Next Page IconTo Next Page
To Previous Page IconTo Previous Page
To Previous Page IconTo Previous Page
Loading...
21
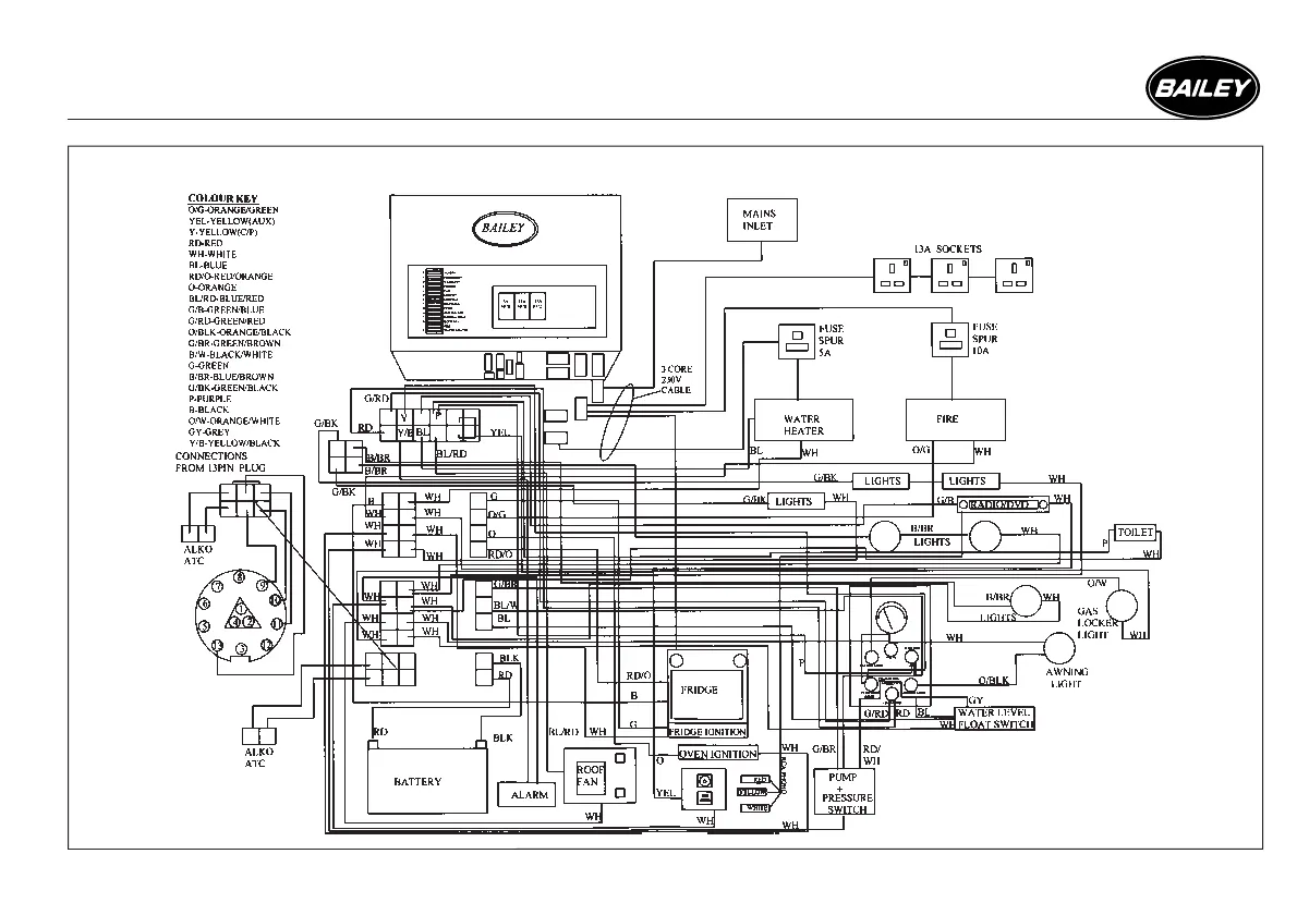
230 VOLT & 12 VOLT PRIMARY CIRCUIT DIAGRAM - SENATOR
WIRING DIAGRAMS

Related product manuals