EasyManua.ls Logo

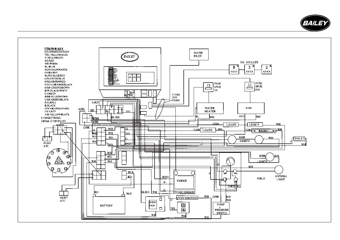
Bailey PAGEANT SANCERRE - 230 V & 12 V Primary Circuit Diagram - Pageant

Default Icon
28 pages
Print Icon
To Next Page IconTo Next Page
To Next Page IconTo Next Page
To Previous Page IconTo Previous Page
To Previous Page IconTo Previous Page
Loading...
19
WIRING DIAGRAMS
230 VOLT & 12 VOLT PRIMARY CIRCUIT DIAGRAM - PAGEANT