EasyManua.ls Logo

Bailey RANGER 460/4 - Page 19

Default Icon
28 pages
Print Icon
To Next Page IconTo Next Page
To Next Page IconTo Next Page
To Previous Page IconTo Previous Page
To Previous Page IconTo Previous Page
Loading...
19
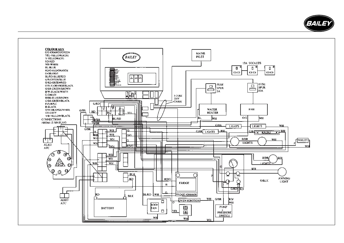
WIRING DIAGRAMS
230 VOLT & 12 VOLT PRIMARY CIRCUIT DIAGRAM - PAGEANT

Related product manuals