EasyManua.ls Logo

Baldwin Boxall Mitre Amplifiers - Page 22

Default Icon
29 pages
Print Icon
To Next Page IconTo Next Page
To Next Page IconTo Next Page
To Previous Page IconTo Previous Page
To Previous Page IconTo Previous Page
Loading...
- 22 -
Issue 2
+
2
4
V
0
V
2
A
M
A
X
L
O
U
D
S
P
E
A
K
E
R
5
0
V
1
0
0
V
1
2
3
4
5
6
1
5
1
2
3
4
5
O
U
T
P
U
T
Z
O
N
E
1
+
2
4
V
0
V
2
A
M
A
X
L
O
U
D
S
P
E
A
K
E
R
50V
1
0
0
V
1
2
3
4
5
6
1
5
1
2
3
4
5
O
U
T
P
U
T
Z
O
N
E
2
+
2
4
V
0
V
2
A
M
A
X
L
O
U
D
S
P
E
A
K
E
R
5
0
V
1
0
0
V
1
2
3
4
5
6
1
5
1
2
3
4
5
O
U
T
P
U
T
+
2
4
V
0
V
2
A
M
A
X
L
O
U
D
S
P
E
A
K
E
R
5
0
V
1
0
0
V
1
2
3
4
5
6
1
5
1
2
3
4
5
O
U
T
P
U
T
Z
O
N
E
3
Z
O
N
E
4
1
2
3
4
1
6
1
7
1
8
1
9
2
0
2
1
2
2
B
M
S
2
5
1
2
3
4
1
6
1
7
1
8
1
9
2
0
2
1
2
2
B
M
S
2
5
1
2
3
4
5
6
B
M
S
6
B
D
M
2
0
1
S
E
T
L
I
N
E
L
E
V
E
L
O
U
T
A
L
L
Z
O
N
E
S
L
E
V
E
L
O
U
T
S
E
T
L
I
N
E
B
D
M
2
0
4
4
Z
O
N
E
L
E
V
E
L
O
U
T
S
E
T
L
I
N
E
B
D
M
2
0
4
4
Z
O
N
E
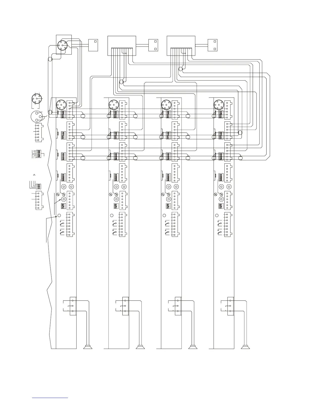
F
I
G
5
.
Z
O
N
E
S
E
L
E
C
T
I
O
N
U
S
I
N
G
I
N
P
U
T
A
C
C
E
S
S
.
0
V
C
H
I
M
E
V
O
L
U
M
E
A
L
A
R
M
V
O
L
U
M
E
I
N
P
U
T
0
V
A
C
C
E
S
S
B
U
S
Y
+
2
4
V
B
A
L
A
N
C
E
D
L
R
F
L
O
A
T
I
N
G
L
I
N
E
O
/
P
5
0
0
m
V
1
N
O
T
E
2
N
O
T
E
3
N
O
T
E
C
H
I
M
E
8
0
m
V
L
I
N
E
1
2
3
4
5
6
O
N
1
2
3
4
O
N
F
L
O
A
T
I
N
G
L
I
N
E
O
/
P
P
O
S
T
M
A
S
T
E
R
V
/
C
P
R
E
M
A
S
T
E
R
V
/
C
B
U
S
Y
A
C
C
E
S
S
0
V
+
2
4
V
B
A
L
I
/
P
1
2
3
4
5
6
1
2
3
4
5
6
1
2
3
4
5
6
1
2
3
4
5
6
1
2
3
4
0
d
B
M
A
L
A
R
M
A
C
C
E
S
S
R
L
Y
C
O
I
L
A
U
X
M
U
T
E
1
2
3
0
V
B
A
L
I
/
P
D
I
N
I
N
P
U
T
X
L
R
I
N
P
U
T
P
R
I
O
R
I
T
Y
C
H
I
M
E
V
R
E
S
T
/
B
U
S
Y
0
.
6
m
V
M
I
C
P
H
A
N
T
O
M
P
O
W
E
R
C
H
I
M
E
V
O
L
U
M
E
A
L
A
R
M
V
O
L
U
M
E
L
R
1
2
3
4
5
6
1
2
3
4
5
6
1
2
3
4
5
6
1
2
3
4
C
H
I
M
E
V
O
L
U
M
E
A
L
A
R
M
V
O
L
U
M
E
L
R
1
2
3
4
5
6
1
2
3
4
5
6
1
2
3
4
5
6
1
2
3
4
C
H
I
M
E
V
O
L
U
M
E
A
L
A
R
M
V
O
L
U
M
E
L
R
1
2
3
4
5
6
1
2
3
4
5
6
1
2
3
4
5
6
1
2
3
4
P
O
W
E
R
A
M
P
L
I
F
I
E
R
I
N
P
U
T
L
E
D
I
N
D
I
C
A
T
E
S
P
R
E
S
E
N
C
E
O
F
+
2
4
V
A
U
X
S
U
P
P
L
Y

Related product manuals