EasyManua.ls Logo

Barrett 2022 - Page 5

Barrett 2022
13 pages
Print Icon
To Next Page IconTo Next Page
To Next Page IconTo Next Page
To Previous Page IconTo Previous Page
To Previous Page IconTo Previous Page
Loading...
1 2 34
A
B
C
D
4
321
D
C
B
A
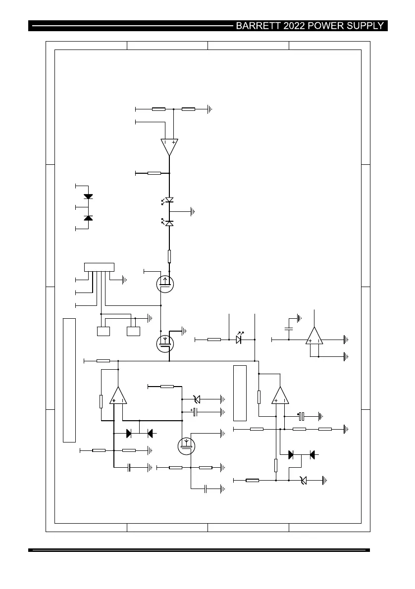
R1
1K
R3
390K
R5
5K6
R7
10K
VPSU VPSU
C1
0U1
R2
1K
R6
24K
R8
39K
VBatt
VBatt
312
2
5
4
U1A
LM339-2
1
7
6
U1B
LM339-2
14
9
8
U1C
LM339-2
13
11
10
U1D
LM339-2
Battery switches out at 11V
and stays latched until Mains returns or battery is replaced
PSU switches out at 10.5v
PSU switches in at 11v
R13
15K
Vin
R10
15K
R11
1K
VPSU
+13V8 VBatt
R12
1K
VBatt
R14
1K
VBatt
R16
100K
R17
100K
PSU+
PSU-
BATT-BBATT-G
D7
LED Green
GREEN RED
D9
HLMP-0800
D8
BAV70
Vin
U2
LM4040DIM3-50
U3
LM4040DIM3-50
R18
3K9
R19 82K
Q1
BSP17
C2
10U
C3
47U
Q3
2N7002
R4
10K
VPSU Q2
NDT456
D1
BAV70
C4
0U1
1
2
3
4
5
6
P1
CON6
Rear Panel
VBattVPSU+13V8
Speaker
Control
VBatt VPSUVin
D2
BAV70
1
2
SPK1
CON2
1
2
SPK2
CON2
C5
0U1
R9
1K
Barrett 2022 Power Supply Front Panel Schematic
Drawing No: 2022D02-A2
5