EasyManua.ls Logo

Bartscher FPP-36 - Page 21

Bartscher FPP-36
25 pages
Print Icon
To Next Page IconTo Next Page
To Next Page IconTo Next Page
To Previous Page IconTo Previous Page
To Previous Page IconTo Previous Page
Loading...
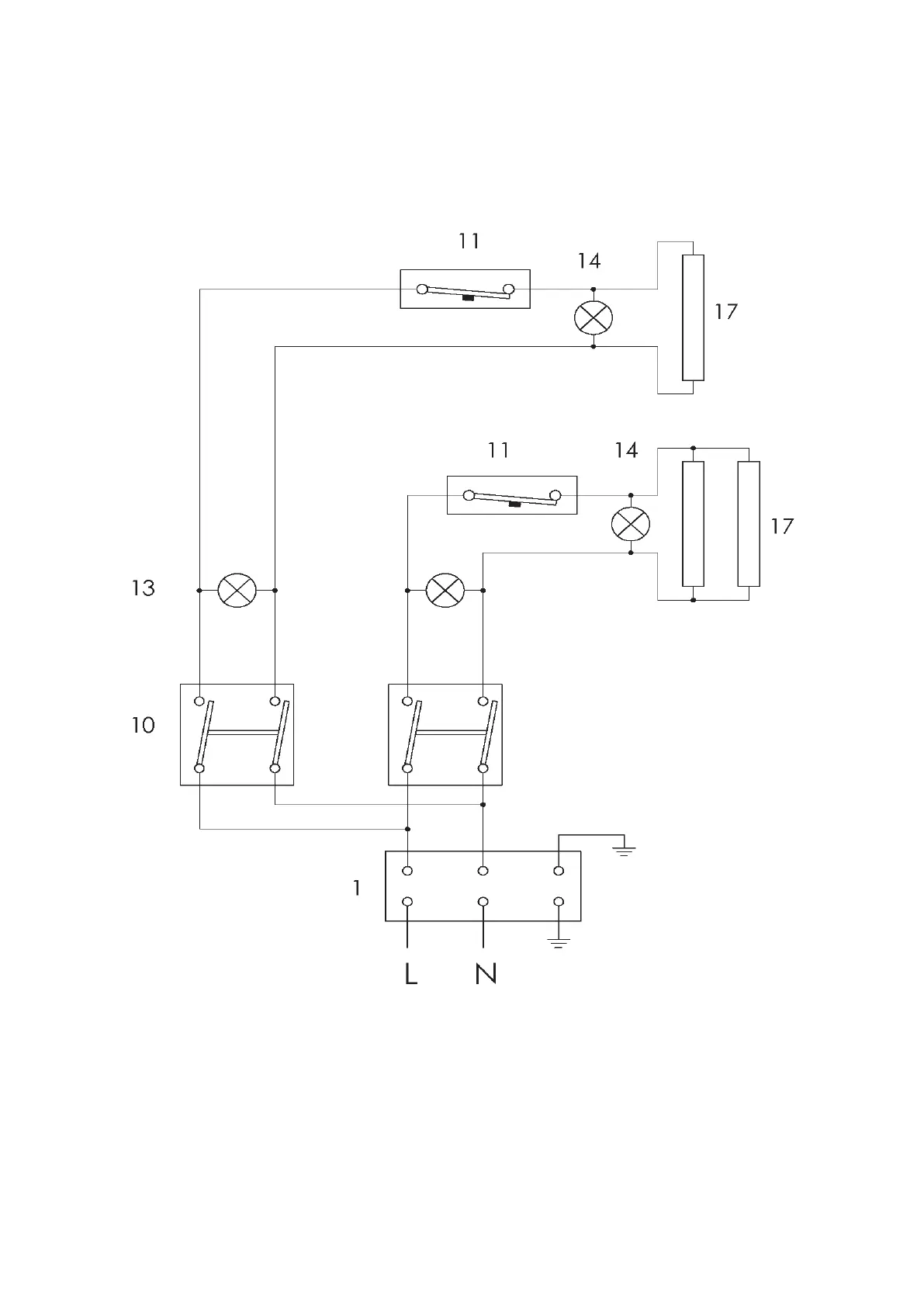
EL. CONNECTION DIAGRAM / SCHALTPLAN / SCHÉMA DU ELECTRIQUE
FP 66 R

Related product manuals