EasyManua.ls Logo

Baruffaldi TOEM 120 - Page 8

Default Icon
21 pages
Print Icon
To Next Page IconTo Next Page
To Next Page IconTo Next Page
To Previous Page IconTo Previous Page
To Previous Page IconTo Previous Page
Loading...
Pagina N°.
Page Nr.
Edizione
Edition
S.p.A
11-93
24
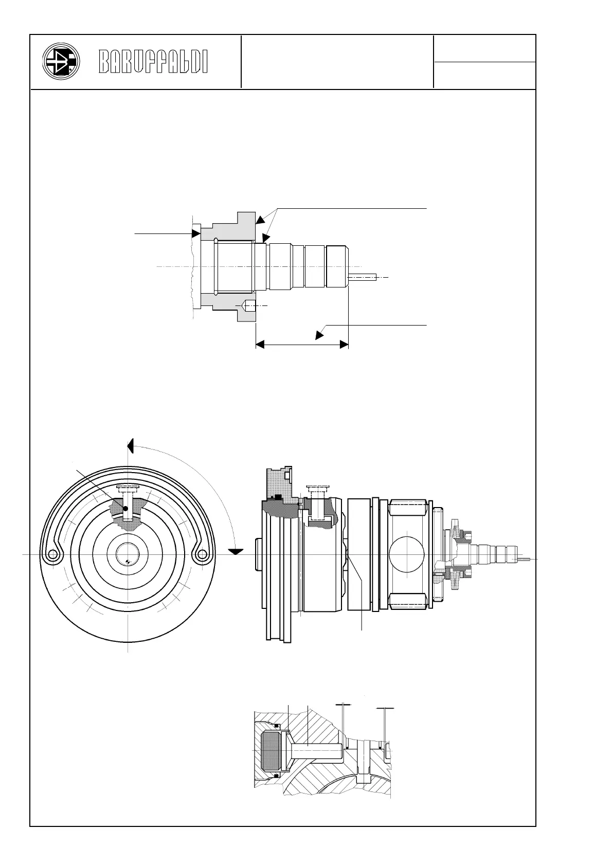
HINTS FOR
REASSEMBLE
DURING COMPLETE REASSEMBLE
- Insert the keys 309 into their corresponding key-ways (with identical marks) keeping the threaded holes turned
towards the ring nut 020 and in contact with the bottoms of the key-ways.
- Check that pinion 008 has a good sliding fit. If it does not, take it off and assemble it the other way with respect
to the keys.
- Check that the ring nut is thoroughly tightened. To make sure of this follow these instructions:
Before final assembly temporarily set aside parts 026 - 307 - 025, screw down the ring nut till it touches
its seating, measure the distance between the end of the divider 005 and the top surface of the ring, mark
the position of the ring nut in respect to the divider.
Lubricate O-ring 318 with heavy grease or vaseline.
018
402
0,05
0,05
After assembling all the parts add right amount of the correct type of lubricant to the carcase through the oil
hole (see page 25).
Ring nut in contact
Mark here
Rollers on the high level of the cams
90°
Dimension to measure
Then unscrew the ring nut, assemble the parts 026 - 307 - 025, screw on the ring nut, check that it reaches the same
position as before. Make this check by measuring the distance and observing that the marks coincide. Before
inserting the central sub-assembly into the carcase, rotate the satellite carrier 007 until the sealing of the latch is
in perpendicular position towards the coolant interception holes of the crown 002; insert the latch 017, rotate the
satellite carrier 007 by hand until the HIRTH teeth engage (rollers on the level parts of the cams). Release the latch.
Latch socket

Related product manuals