EasyManua.ls Logo

Batca LINK LD-4 - Page 10

Batca LINK LD-4
23 pages
Print Icon
To Next Page IconTo Next Page
To Next Page IconTo Next Page
To Previous Page IconTo Previous Page
To Previous Page IconTo Previous Page
Loading...
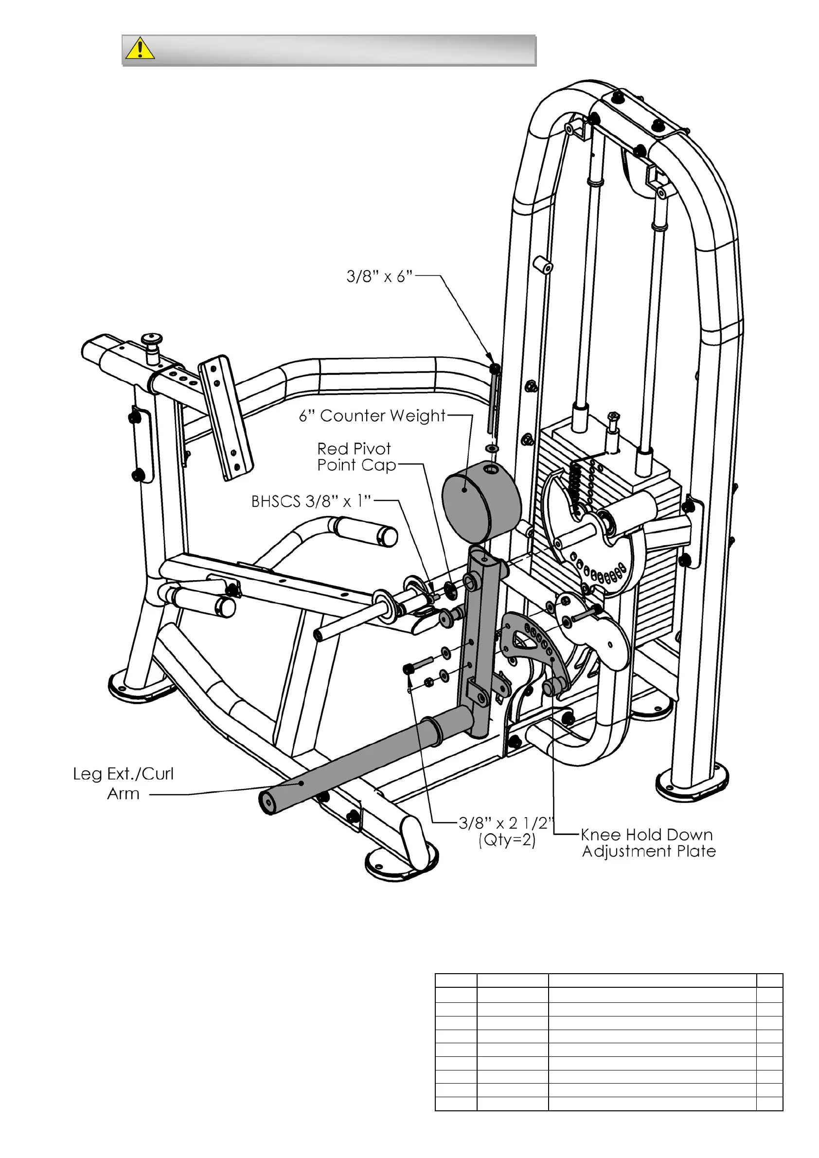
Batca Fitness Systems 10 LD-4 Owner's Manual
Item # Part # Description Qty
22 BFP-10869 Knee Hold Down Adjustment Plate 1
23 BFP-10868 Leg Ext/Curl Arm 1
24 BFP-51885 Red Pivot Point Cap 1
25 BFP-51874 6” Counterweight 1
75 BFH-50620 BHSCS 3/8” x 1” 1
57 BFP-52372 SHCS 3/8” x 2 1/2” 2
66 BFP-52364 SHCS 3/8” x 6” 1
70 BFH-50146 3/8” Flat Washer 5
71 BFH-50157 3/8” Nylock 2
Step 6:
Make sure all bolts are tightened before moving on
All Flat Washers and Nylocks are 3/8” unless otherwise noted.

Related product manuals