EasyManua.ls Logo

BBE 862 - Page 17

BBE 862
22 pages
Print Icon
To Next Page IconTo Next Page
To Next Page IconTo Next Page
To Previous Page IconTo Previous Page
To Previous Page IconTo Previous Page
Loading...
)l^l-
15
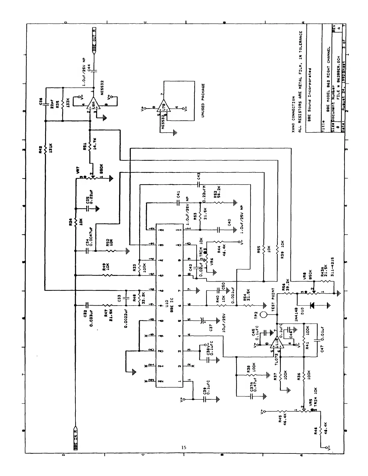
BBE
MODEL
862
RIOHT
CHANNEL

Related product manuals