EasyManua.ls Logo

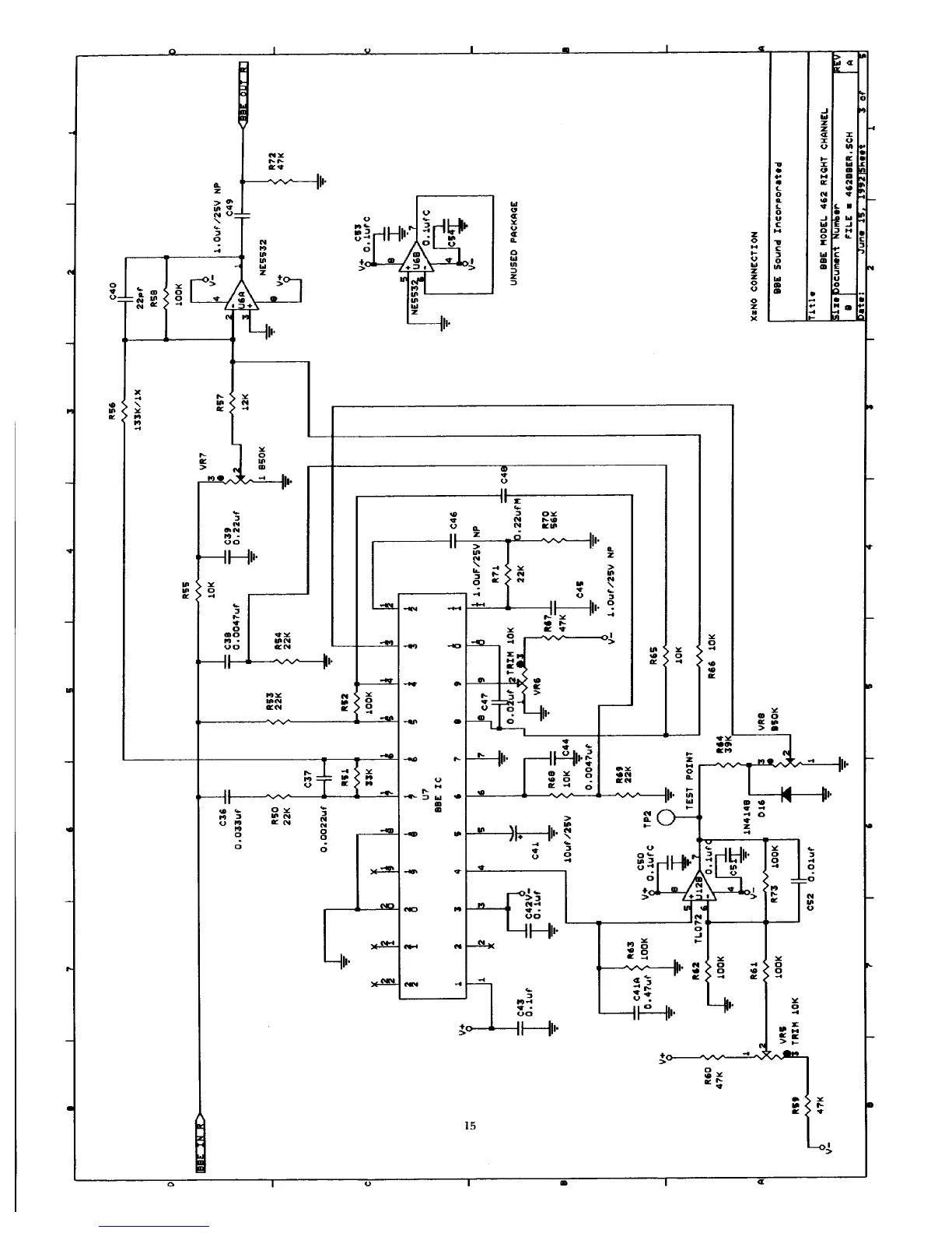
BBE Sonic Maximizer BBE 462 - Right Channel Circuit Details

BBE Sonic Maximizer BBE 462
20 pages
Print Icon
To Next Page IconTo Next Page
To Next Page IconTo Next Page
To Previous Page IconTo Previous Page
To Previous Page IconTo Previous Page
Loading...

Related product manuals