EasyManua.ls Logo

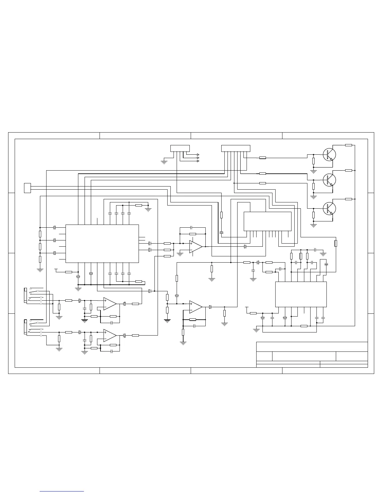
BBK AV212T - OK Board Schematic Diagram

BBK AV212T
26 pages
Print Icon
To Next Page IconTo Next Page
To Next Page IconTo Next Page
To Previous Page IconTo Previous Page
To Previous Page IconTo Previous Page
Loading...
1 2 3 4
A
B
C
D
4
321
D
C
B
A
Title
Number RevisionSize
A4
Date: 30-Aug-2003 Sheet of
File: E:\BBKAV2~1\212TOK.SCH Drawn By:
R19
10K
R22
470
5
6
7
IC5B
JRC4558D
R20
1K5
C28
100
C36
22P
C12
1U
C11
562M
C8
561
R15
10K
R14
10K
R4
15K
R5
10K
R6
10K
VCC
1
REF
2
AGND
3
DGND
4
CLKO
5
VCO
6
CC1
7
CC0
8
OP1O
9
OP1I
10
OP2O
11
OP2I
12
LPFI2
13
LPFO2
14
LPFO1
15
LPFI1
16
PT2399
C5
561
C1
332M
C7
823M
C6
823M
R11
10
C10
100/16
C9
104
C4
47/16
R3
22K
C3
104M
C2
104M
+5V
R31
22K
C29
4U7
R33
470
R47
15K
R8
10K
R9
10K
R10
10K
R1
47K
R7
10K
R2
100K
Q1
9014
Q2
9014
-12V
+12V
+5V
1
2
3
4
5
CN5
1
2
CN2
1
2
3
4
5
6
7
8
CN6
X0
12
X1
14
X2
15
X3
11
Y0
1
Y1
5
Y2
2
Y3
4
INH
6
A
10
B
9
VEE
7
X
13
Y
3
4052
R21
10K
R32
470
8
9
10
IC5C
JRC4558D
R35
1K5
C39
100
C41
22P
R36
22K
C29
4U7
R37
470
C32
10/16
C40
10/16
R24 4K7
R34
4K7
RIN1
11
LIN1
15
RIN2
10
LIN2
14
RIN3
9
LIN3
13
VDD
2
AGND
3
REF
1
ROUT
7
RIN
6
LOUD R
8
ROUT R
21
BIN R
20
TRE R
5
RROUT
22
LROUT
23
RFOUT
24
LFOUT
25
TRE L
4
BIN L
18
BOUT L
19
LOUD L
12
LIN
16
LOUT
17
CLK
28
DATA
27
DGND
26
PT2313
C20
22/16
C24
104M
C15
104M
C16
273M
C22
273M
C21
273M
C13
273M
C14
104M
C23
104M
C17
2U2
C18
2U2
C25
2U2
C26
2U2
C27
2U2
R17
1K8
R18
1K5
R135K6
R12
5K6
R26
10K
R27
10K
R25
47K
C30
2U2
R28
22K
R29
22K
C31
2U2
R30
22K
C35
47P
R39
10K
C42
47P
R38
2K7
C432U2
R49
22K
C44
2U2
R53
22K
R16
10K
C33
2U2
1
2
3
7
8
9
MIC1
1
2
3
7
8
9
MIC2
1
2
3
4
11
IC3A
JRC4558D
12
13
14
IC3D
JRC4558D
OKDT
DEL2
DEL1
A
B
DATA
CLK
DGND
OKOUT
GND
DSP IN
DSP OUT
DELI
TO DEL
OKO
DSPO
OKI
DSPI
MIC1 IN
DELAY OUT
DELAY IN
MIC2 IN
TO ECHO VOL
DSP IN
DSP OUT
OK OUT
TO ECHO VOL
OK1O
OK2O
MIC2 OUT
MIC1 OUT
C19
47/16
R23
68
+12V
OK SCH
FROM CPU
R44
10K
R43
22K
AV212T-OK
R48
1K
R52
100K
R51
10K
Q3
9014
R50
10K