EasyManua.ls Logo

BE BE3600IE - Page 46

BE BE3600IE
80 pages
Print Icon
To Next Page IconTo Next Page
To Next Page IconTo Next Page
To Previous Page IconTo Previous Page
To Previous Page IconTo Previous Page
Loading...
35
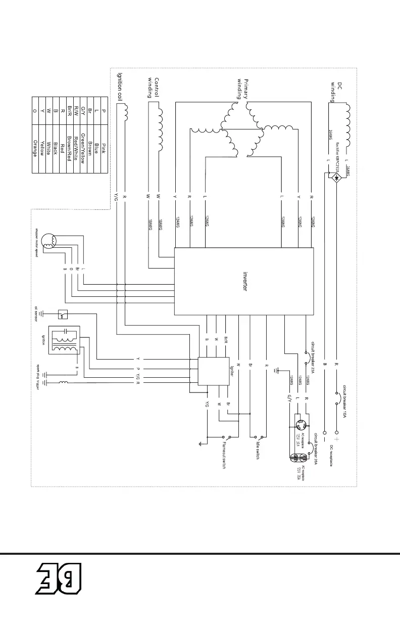
11.SCHÉMA DE CÂBLAGE
SCHÉMA DE CÂBLAGE

Related product manuals