EasyManua.ls Logo

BEFCO TORNADO RSD-142 - Page 50

Default Icon
60 pages
Print Icon
To Next Page IconTo Next Page
To Next Page IconTo Next Page
To Previous Page IconTo Previous Page
To Previous Page IconTo Previous Page
Loading...
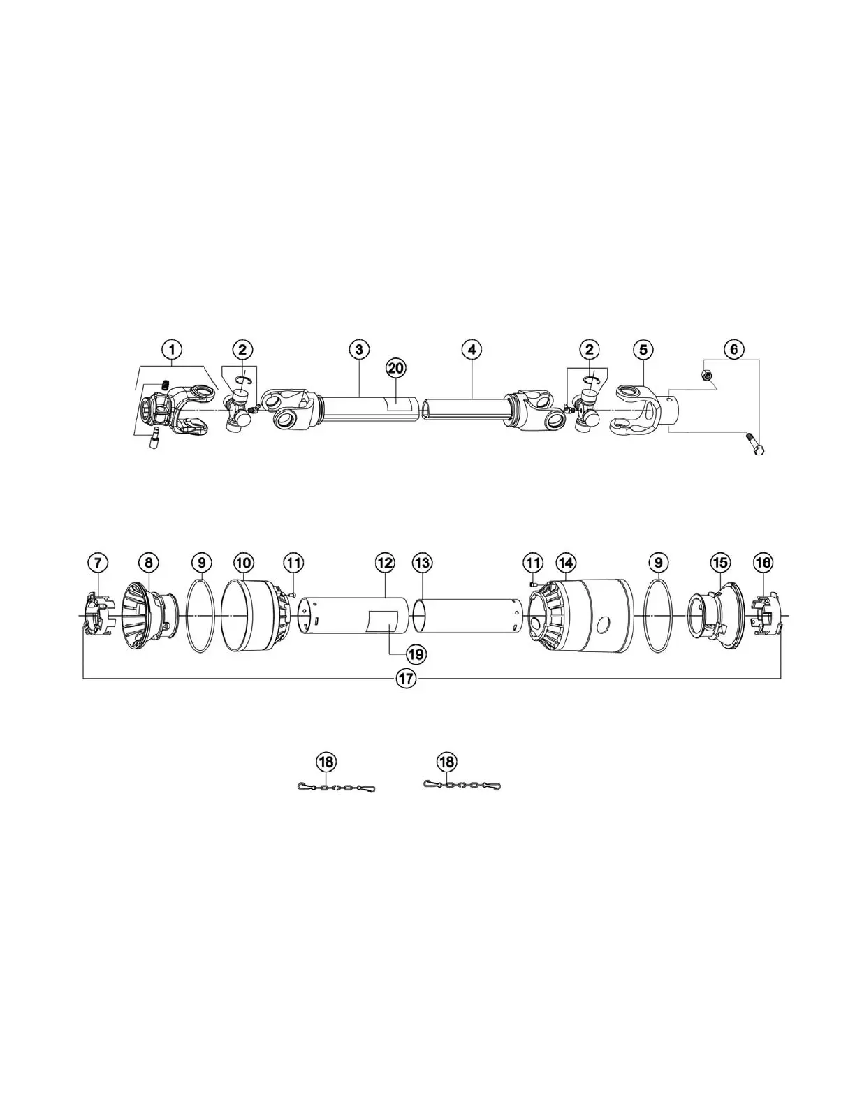
TORNADO RSD & RRB DRIVELINE W/SHEAR PIN OPERATORS MANUAL
RSD, RRB-142, 148, 160, 172
P
ARTS MANUAL 50 BEFCO
05/2010

Related product manuals