EasyManua.ls Logo

Behringer MX602A - Page 17

Behringer MX602A
18 pages
Print Icon
To Next Page IconTo Next Page
To Next Page IconTo Next Page
To Previous Page IconTo Previous Page
To Previous Page IconTo Previous Page
Loading...
17
E
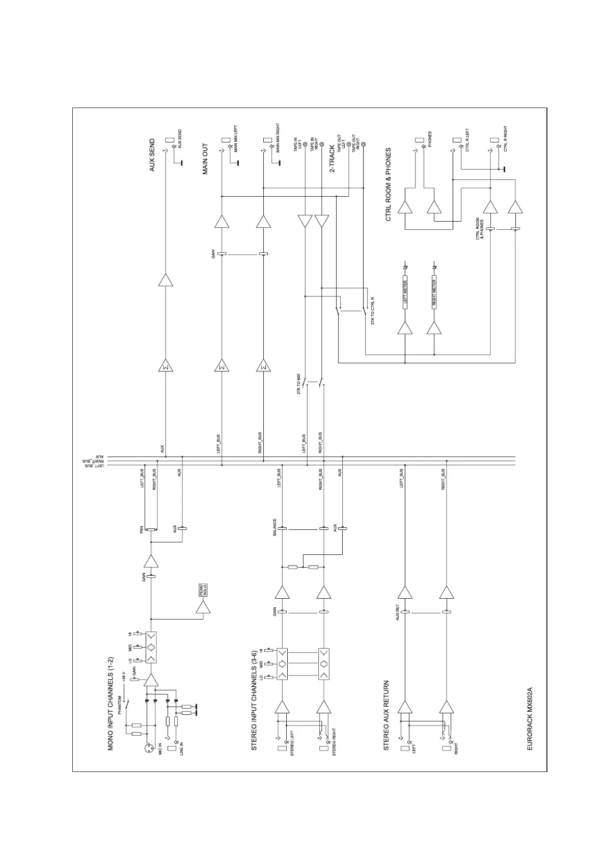
8.2 Block diagram
17
8. APPENDIX

Related product manuals