EasyManua.ls Logo

Bespoke Infinity - Step 9: Swivel and Exit Safely

Bespoke Infinity
44 pages
Print Icon
To Next Page IconTo Next Page
To Next Page IconTo Next Page
To Previous Page IconTo Previous Page
To Previous Page IconTo Previous Page
Loading...
12
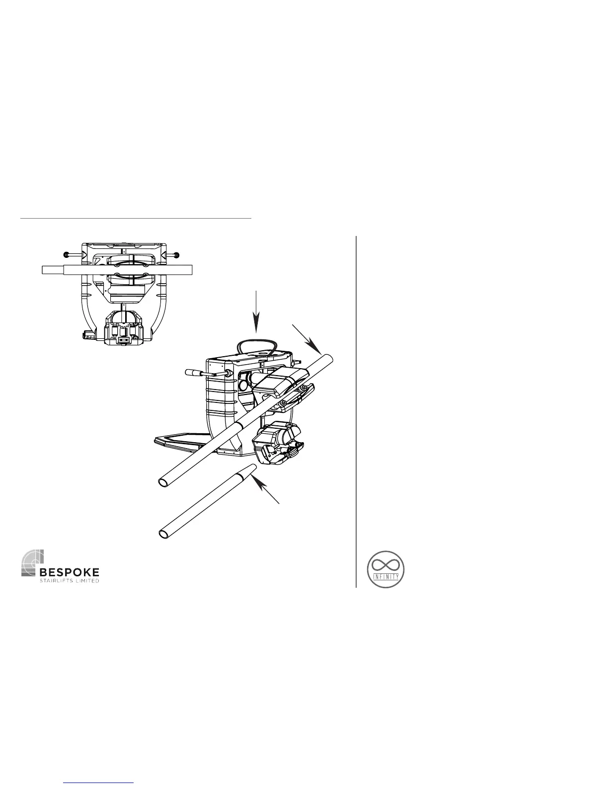
CARRIAGE PREPARATION
Once the carriage is removed from the box
insert the long loading bar into the top
skate.(Fig 1)
Insert the small cone into the bottom rail
tube.
(Loading bar & cone are part of the
separate installation kit.)
Small cone
Loading Bar
Loading strap
Fig 1
Fig 2

Other manuals for Bespoke Infinity