EasyManua.ls Logo

Beyerdynamic ZAS 900 - Page 20

Beyerdynamic ZAS 900
Print Icon
To Next Page IconTo Next Page
To Next Page IconTo Next Page
To Previous Page IconTo Previous Page
To Previous Page IconTo Previous Page
Loading...
20
2
e
application
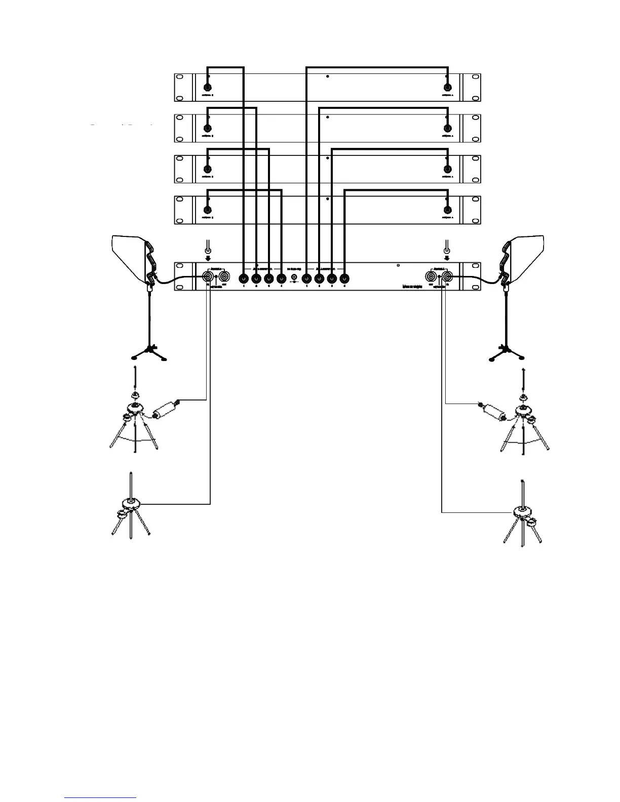
1. Utilisez les équerres de fixation pour le montage dans un rack standard.
2. Branchez les antennes ground plane (AT 70) ou les antennes directives (AT 91) via des câbles à
faible perte sur les entrées d’antenne A et B. Par le biais des équerres FB 30 avec câble fournies,
les entrées d’antenne peuvent également être affectées sur la face avant de l'appareil.
3. Les sorties d’antenne séparées sont reliées via les câbles patch TNC fournis aux entrées d’antenne
des récepteurs. Pour assurer le fonctionnement Diversity, chaque récepteur doit être alimenté
avec un signal d’antenne A et B !
4. Branchez l’alimentation fournie sur une prise murale adaptée et sur la prise DC du ZAS 900.
5. Actionner l’interrupteur secteur pour mettre en marche.
1
er
récepteur
2
e
récepteur
3
e
récepteur
4
e
récepteur
AT 91
disponible
séparément
AT 91
disponible
séparément
AT 70
disponible séparément
AT 70
disponible séparément
AT 70
disponible séparément
AT 70
disponible séparément
Antenne TNC
disponible
séparément
Antenne TNC
disponible
séparément
AT 70 B
AT 70 B