EasyManua.ls Logo

Beyerdynamic ZAS 900 - Page 8

Beyerdynamic ZAS 900
Print Icon
To Next Page IconTo Next Page
To Next Page IconTo Next Page
To Previous Page IconTo Previous Page
To Previous Page IconTo Previous Page
Loading...
8
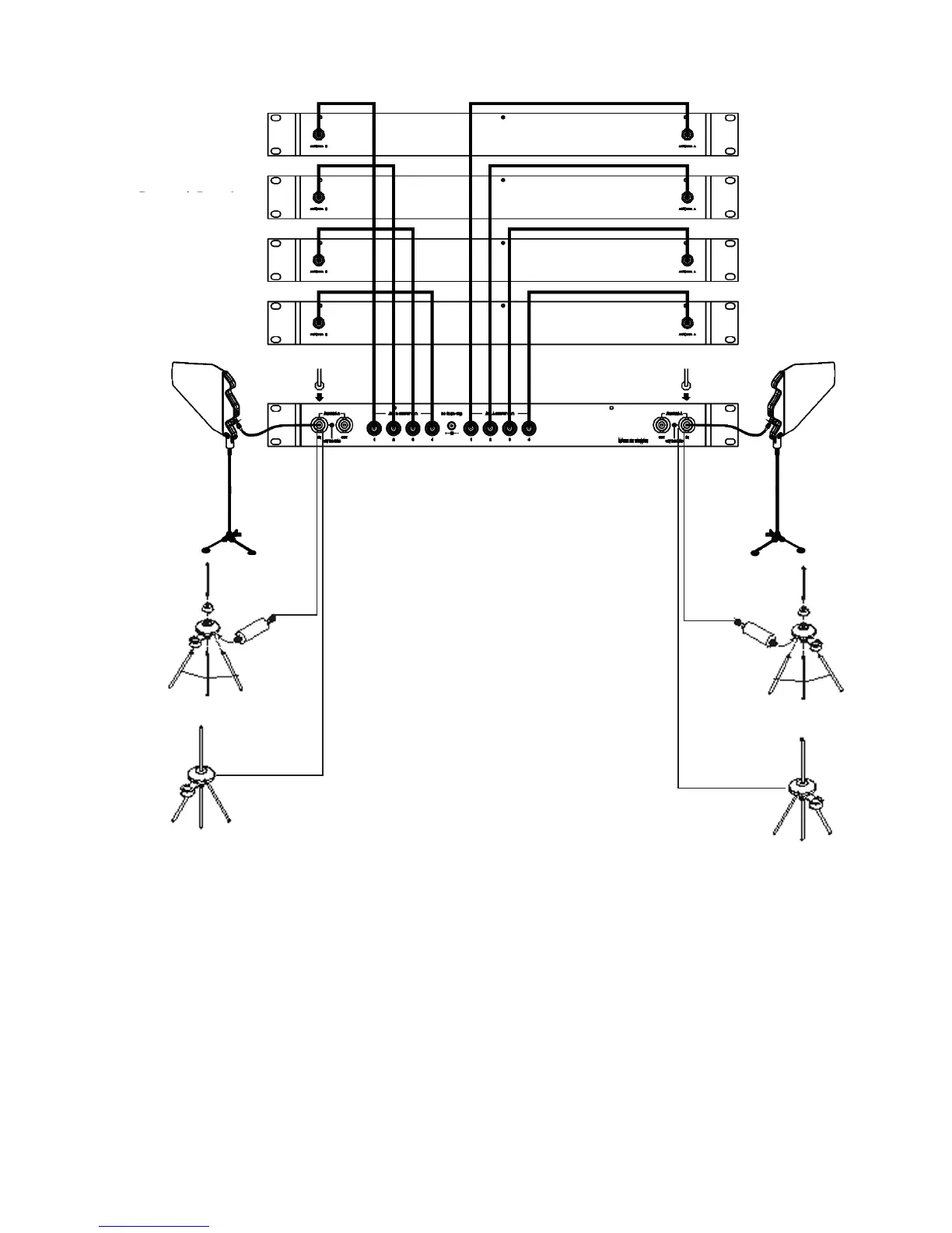
Zweite Anwendung
1. Verwenden Sie die Befestigungswinkel zur Installation in einem Standard-Rack.
2. Schließen Sie Groundplane- (AT 70) oder Richtantennen (AT 91) über dämpfungsarme Kabel an
die Antenneneingänge A und B an. Durch die im Lieferumfang enthaltenen FB 30 Winkel mit
Kabel können die Antenneneingänge auch auf die Vorderseite des Geräts gelegt werden.
3. Die gesplitteten Antennenausgänge werden über die mitgelieferten TNC-Patchkabel mit den
Antenneneingängen der Empfänger verbunden. Um den Diversitybetrieb zu gewährleisten, muss
jeder Empfänger mit einem A- und einem B-Antennensignal versorgt werden!
4. Verbinden Sie das mitgelieferte Netzteil mit einer passenden Wandsteckdose und der DC-Buchse
am ZAS 900.
5. Zur Inbetriebnahme, den Netzschalter betätigen.
Erster Empfänger
Zweiter Empfänger
Dritter Empfänger
Vierter Empfänger
AT 91
separat erhältlich
AT 91
separat erhältlich
AT 70
separat erhältlich
AT 70
separat erhältlich
AT 70 B
AT 70 B
AT 70
separat erhältlich
AT 70
separat erhältlich
Antenne TNC
separat
erhältlich
Antenne TNC
separat
erhältlich