EasyManua.ls Logo

BFT TRC 1 - Page 16

BFT TRC 1
Print Icon
To Next Page IconTo Next Page
To Next Page IconTo Next Page
To Previous Page IconTo Previous Page
To Previous Page IconTo Previous Page
Loading...
16
- RTD- Ver. 03
D811347_03
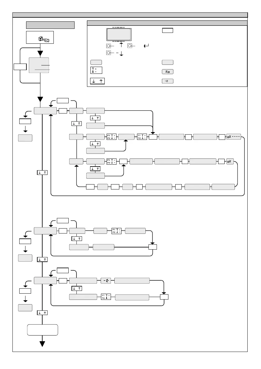
Fig. A
OK
Press the OK key
BFT
RTD1.0
00
OK
ACCESS TO MENUS
Software version
No. radio control devices
memorised
LEGENDA
[ 00 ]
Preset value
Parameter increment/reduction
or ON/OFF commutation
Menu scrolling
(+ = preceding - = following)
Message: Programming in progress
PRG
+/-
-
+
/ON
/OFF
Message: KO! (value or function error)
Simultaneously press the + and - keys.
Simultaneous pressure of the + and – keys
allows you to exit the active menu and return
to the preceding menu; if this takes place at
the main menu level, programming is exited
and the display switched off.
The modifications made are only confirmed if
the OK key is subsequently pressed.
Message: “Wait” (enter value or function)
delete
+/-
-
+
-
+
+/-
End
code
pos. t0001 . . .
database confirm
OK
OK
verify
+/-
-
+
-
+
+/-
End
read code
01 t1 . . . 2048 t4
01 t1 . . . 2048 t4
scroll archive
OK
OK
FOLLOWING
MENUS FIG. B
+
OK
8888
ADD
+/-
-
+
-
+
-
+
+/-
END
aut.
man. pos.
hidden button
OK
P1
P1
P1
Tx
Tx
Tx
out1 . .4
Group out1 . .4
out1 . .4
-
+
OK
desired button
hidden button
desired button
ALL
ALL
-
+
ALL
First tras.
hidden button
desired button
00010100
Last tras.
OK
OK OK