EasyManua.ls Logo

BFT TRC 1 - Page 29

BFT TRC 1
Print Icon
To Next Page IconTo Next Page
To Next Page IconTo Next Page
To Previous Page IconTo Previous Page
To Previous Page IconTo Previous Page
Loading...
RTD- Ver. 03 -
29
D811347_03
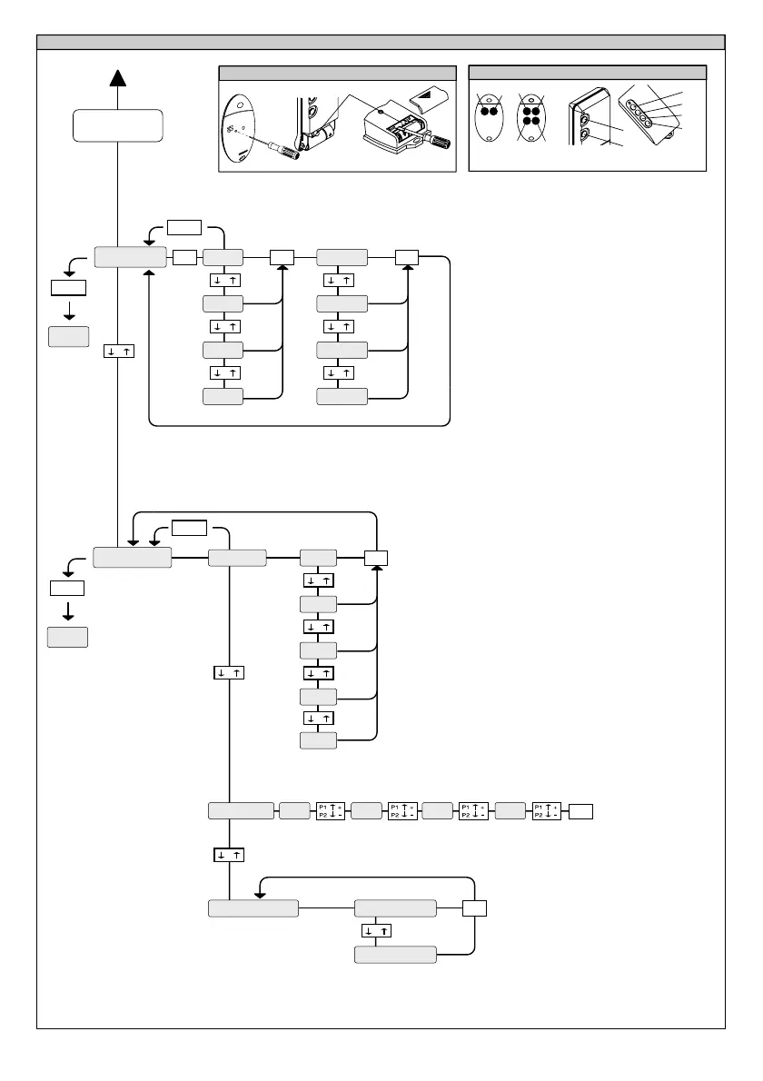
Fig. B
RTD einstellen
+/-
+/-
ENDE
empf. type
VORANGEHENDE
MENÜS FIG. A
-
+
-
+
sprache
-
+
fra
-
+
deu
ENG
-
+
ESP
-
+
ita
OK
OK
rolling code
-
+
P1
T1
T2
T1
T2
T3
T4
TRC 1-2
TRC 4
FIG. B1A
FIG. B2A
TRC 1-2
TRC 4
MITTO 2-4
T1 T2
T1 T2
T3
T4
P1
fest code
ausgang
+/-
-
+
+/-
ENDE
-
+
aus 2
-
+
aus 3
aus 4
OK OK
-
+
aus 1
-
+
schritt
-
+
zeitgest
antiag.
-
+
imp
OK
passvord 0--- -0-- --0- ---0
OK