EasyManua.ls Logo

BH EASYFLEX G852 - Page 3

BH EASYFLEX G852
Print Icon
To Next Page IconTo Next Page
To Next Page IconTo Next Page
To Previous Page IconTo Previous Page
To Previous Page IconTo Previous Page
Loading...
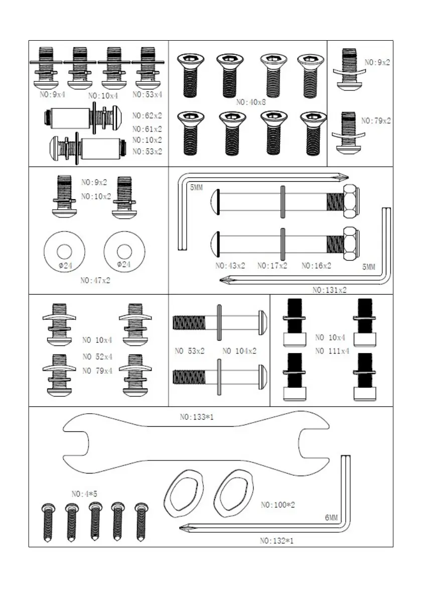
Fig.2

Related product manuals