EasyManua.ls Logo

Biamp ADVANTAGE 601e - Page 8

Biamp ADVANTAGE 601e
13 pages
Print Icon
To Next Page IconTo Next Page
To Next Page IconTo Next Page
To Previous Page IconTo Previous Page
To Previous Page IconTo Previous Page
Loading...
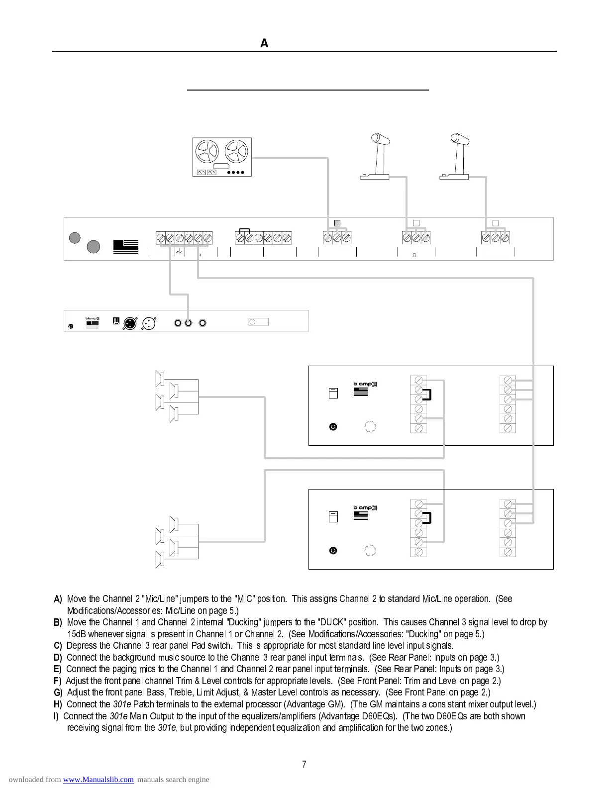
APPLICATIONS
input output
patch expansion
Gain Manager
MADE IN U.S.A.
ADVANTAGE GM
E17934
12VDC/15W
Class 2
U
L
.
LISTED 989M
COMMERCIAL
AUDIO EQUIP.
DC out
Microphone Paging with Background Music Override
--+
com
mic/line 1
--+--+
mic/line 3
pad
comcomin
27 VAC
18W
--+
com
stack inputremote
C+10V gnd
pad pad
600 / ch. 2
MADE IN U.S.A.
BIAMP SYSTEMS
Portland, Oregon
an affiliate of
Rauland-Borg Corp.
301e
GM
D60EQ
D60EQ
background
music
source
security
paging
mic
--
com
zone #2
ditributed
speaker
system
zone #1
ditributed
speaker
system
receptionist
paging
mic
in/out
patch
out
main output
+
ADVANTAGE D60EQ
MADE IN U.S.A.
115V
*
E
S
U
F
*
E
S
F
*
E
S
U
F
115/230 VAC
50/60 Hz 160 Watts
115V: 2A SB fuse
230V: 1A SB fuse
common
autoformer
input
70V
100V
4
8
+ input
- input
gnd
ADVANTAGE D60EQ
MADE IN U.S.A.
115V
*
E
S
U
F
*
E
S
F
*
E
S
U
F
115/230 VAC
50/60 Hz 160 Watts
115V: 2A SB fuse
230V: 1A SB fuse
common
autoformer
input
70V
100V
4
8
+ input
- input
gnd

/ & D&- $ </(@< >7  & </9D<  5&  D&- $ 00 /(@  
/01(' /(@   !

/ & D&- 0 D&- $ - <72< >7  & <DL<  5& 7 D&- - --  0 *
0 )& -    D&- D&- $  /01(' <72<   !

 & D&-  - ,0 )& 5&   1  00 - -- 7 -

D & *270 7 7  & D&-  - 7 -  . ,-' 97   !

D &    & D&- 0 D&- $  - 7 -  . ,-' 97   !

0>7 & 1 - &- 5 3 @- - 1  --  + ,-' 5 0 @-   $!
5
0>7 & 1 -  5*- @ 0>7 3 / @- -    + ,-   $!
<
D &

,& -  & 6-  0 =/! 5& =/   6 77 --!

D &

/ 77  & 7 1 & :7-C(-1 0 "8G! 5& ) "8G  *& &)
 - 1 &

*7 0 00 :7-C 0 -1 1 & ) C!