EasyManua.ls Logo

Black+Decker PW1450TD - Page 38

Black+Decker PW1450TD
60 pages
Print Icon
To Next Page IconTo Next Page
To Next Page IconTo Next Page
To Previous Page IconTo Previous Page
To Previous Page IconTo Previous Page
Loading...
38 • 
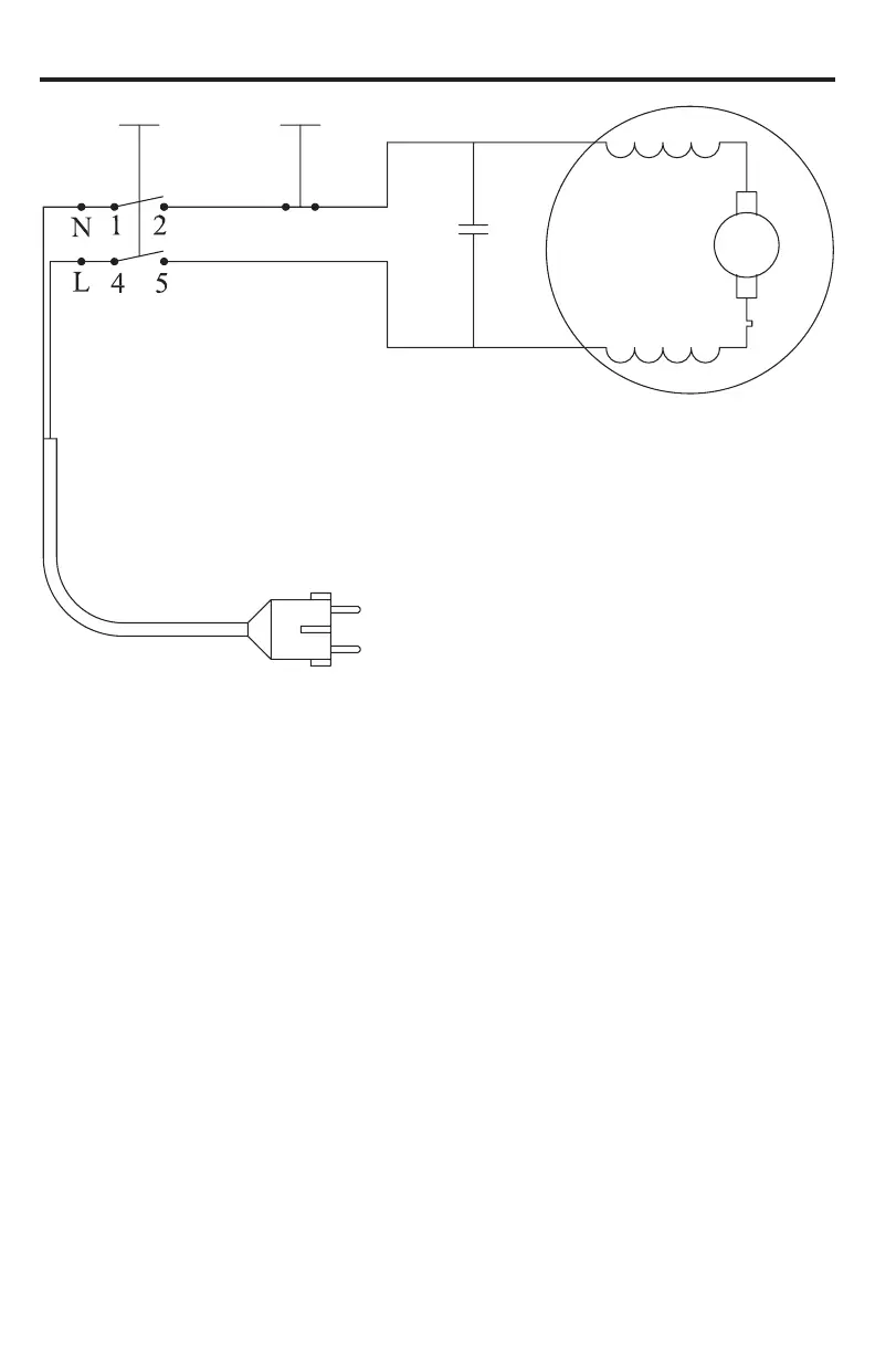
 11
สวตช
1 สวิตช์2
คาปาซ
เตอร
มอเตอร
แผนภไฟฟ
ปกรณ์ปองกัน
เทอร

Related product manuals