EasyManua.ls Logo

Black+Decker PW1450TD - Page 48

Black+Decker PW1450TD
60 pages
Print Icon
To Next Page IconTo Next Page
To Next Page IconTo Next Page
To Previous Page IconTo Previous Page
To Previous Page IconTo Previous Page
Loading...
48 • BAHASA INDONESIA
BAHASA INDONESIA • 11
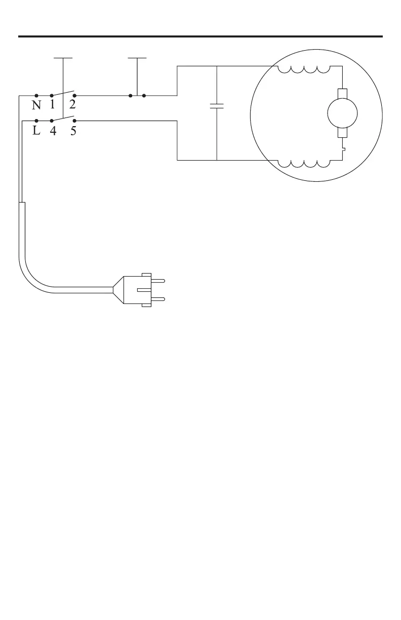
SAKELAR1 SAKELAR2
KAPASITOR
MOTOR
DIAGRAM LISTRIK
Pelindung
terminal

Related product manuals