EasyManua.ls Logo

Black+Decker PW1450TD - Page 58

Black+Decker PW1450TD
60 pages
Print Icon
To Next Page IconTo Next Page
To Next Page IconTo Next Page
To Previous Page IconTo Previous Page
To Previous Page IconTo Previous Page
Loading...
58 • TIẾNG VIỆT
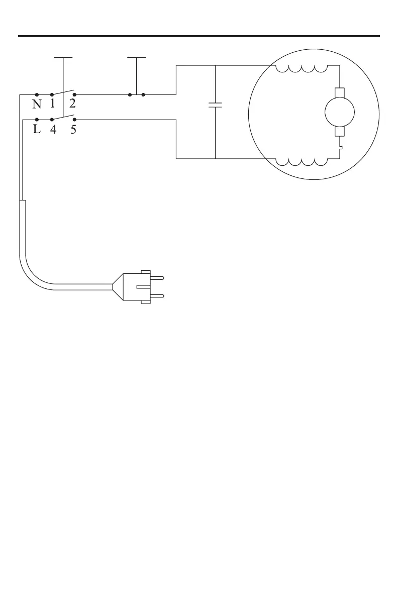
TING VIT 11
CÔNG TC 1 CÔNG TC 2
TỤ ĐIỆN
ĐỘNG CƠ
SƠ Đ MCH ĐIN
Bộ bảo vệ
đầu cuối

Related product manuals