EasyManua.ls Logo

Blitz HydroLift Series - Page 50

Default Icon
Print Icon
To Next Page IconTo Next Page
To Next Page IconTo Next Page
To Previous Page IconTo Previous Page
To Previous Page IconTo Previous Page
Loading...
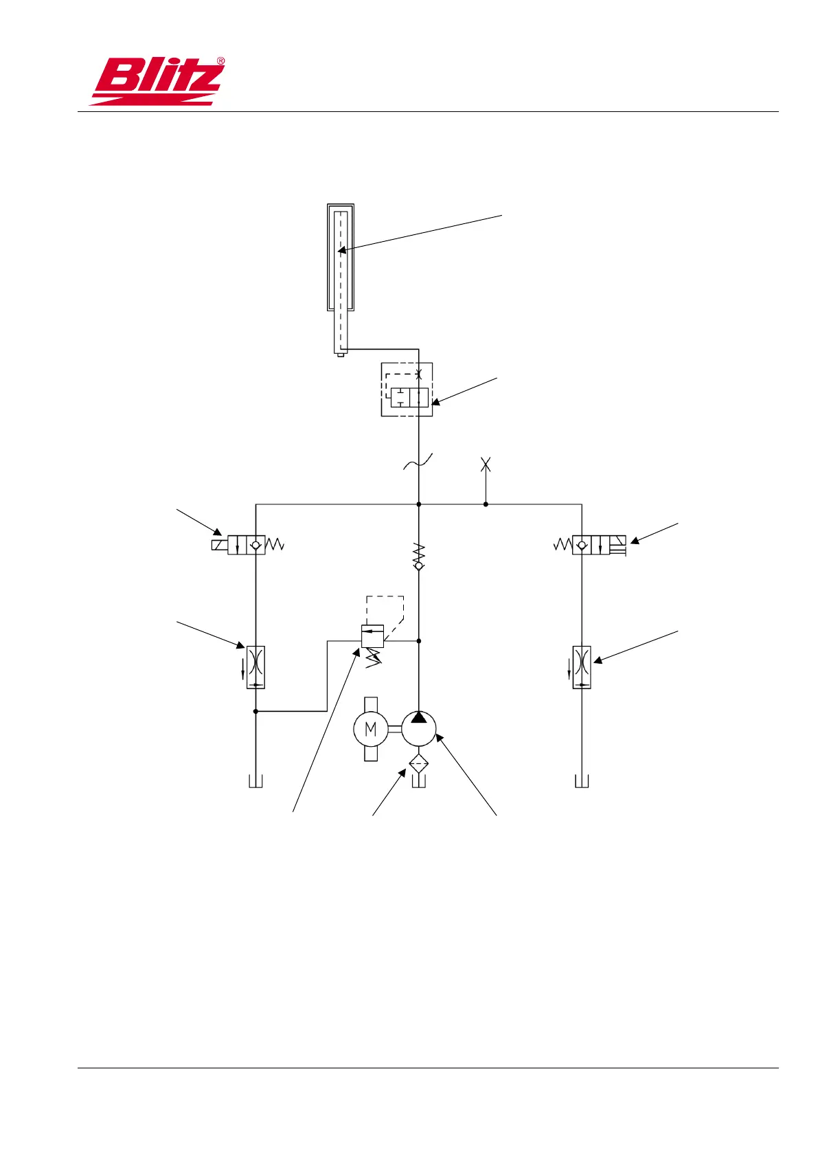
HydroLift
Technischer Anhang
Hydraulischer Schaltplan
1
Hydraulikzylinder
5
2
Rohrbruchsicherung
6
3
Magnetventil 1
7
4
Magnetventil 2
8
Drosselventil
Druckbegrenzungsventil
Ölfilter
Hydraulik-Aggregat
Bestelldaten Ersatzteile unter: www.blitzrotary.com
[1]
[2]
[3]
[4]
[5]
[5]
[6]
[8]
[7]

Related product manuals