EasyManua.ls Logo

Blodgett Combi BC14G - Page 30

Default Icon
66 pages
Print Icon
To Next Page IconTo Next Page
To Next Page IconTo Next Page
To Previous Page IconTo Previous Page
To Previous Page IconTo Previous Page
Loading...
BC14G
4-1
BC14G
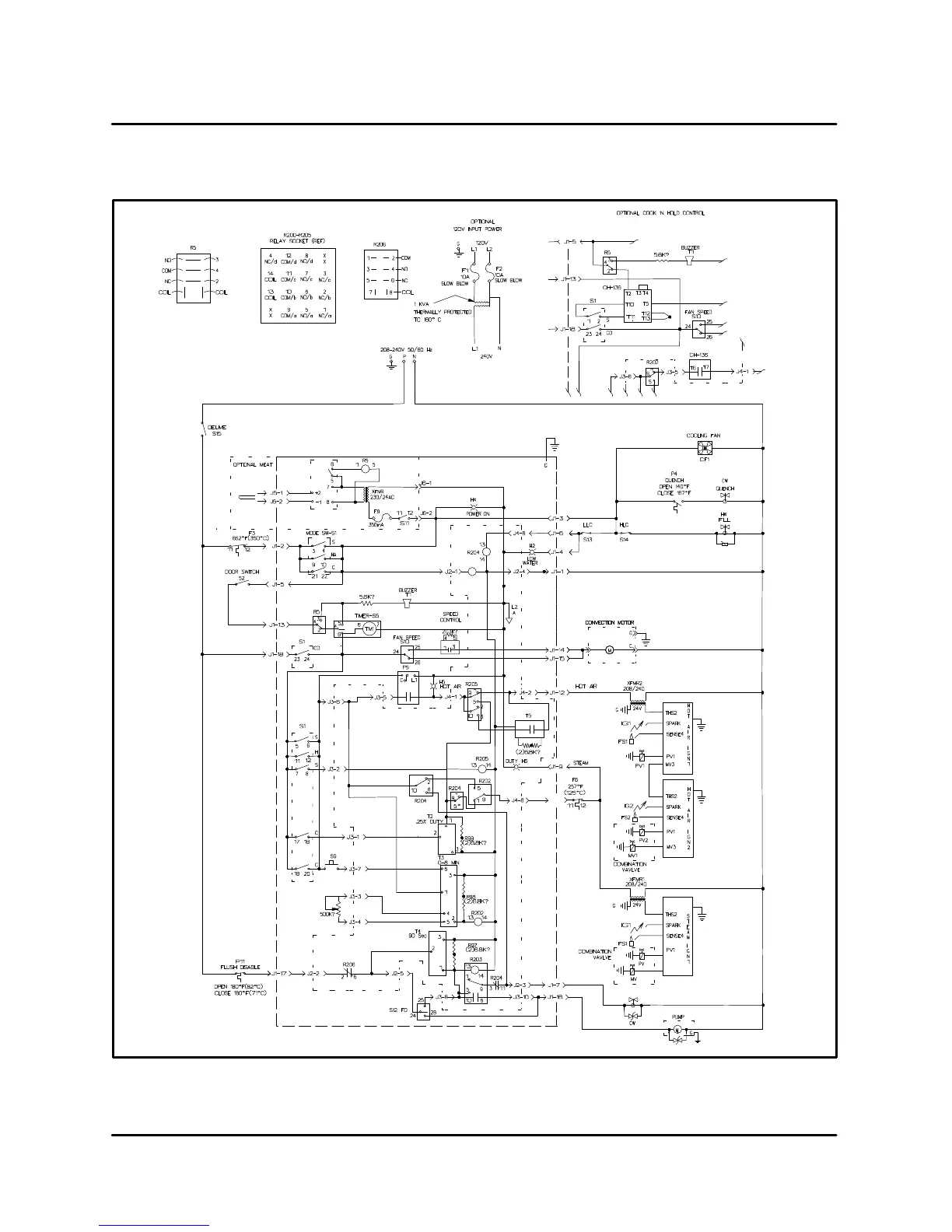
FIGURE 1

Related product manuals