EasyManua.ls Logo

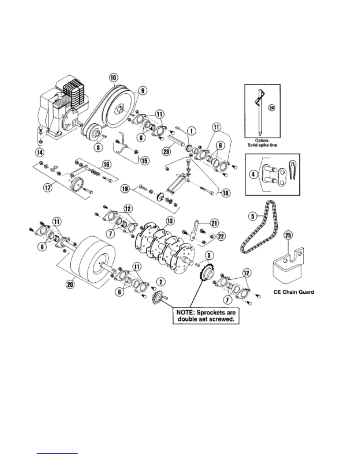
Bluebird B124 - Power Train & Tine Rotor Parts

Bluebird B124
44 pages
Print Icon
To Next Page IconTo Next Page
To Next Page IconTo Next Page
To Previous Page IconTo Previous Page
To Previous Page IconTo Previous Page
Loading...
24
Parts Power Train & Tine Rotor - Model 424

Related product manuals