EasyManua.ls Logo

Bluebird B130A - Page 38

Bluebird B130A
44 pages
Print Icon
To Next Page IconTo Next Page
To Next Page IconTo Next Page
To Previous Page IconTo Previous Page
To Previous Page IconTo Previous Page
Loading...
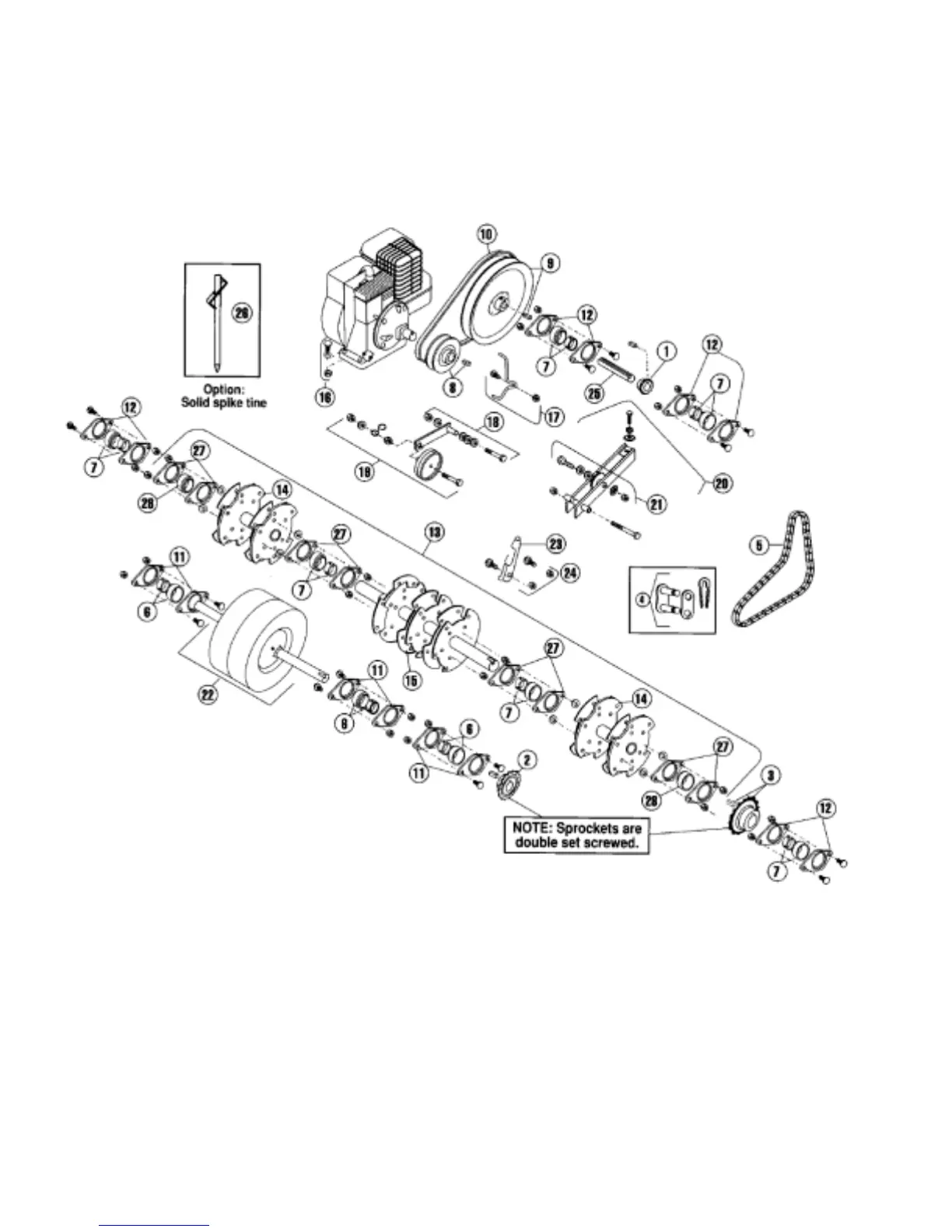
Parts Power Train & Tine Rotor - Model 742

Other manuals for Bluebird B130A

Related product manuals