EasyManua.ls Logo

Bluebird H424 - Page 38

Bluebird H424
44 pages
Print Icon
To Next Page IconTo Next Page
To Next Page IconTo Next Page
To Previous Page IconTo Previous Page
To Previous Page IconTo Previous Page
Loading...
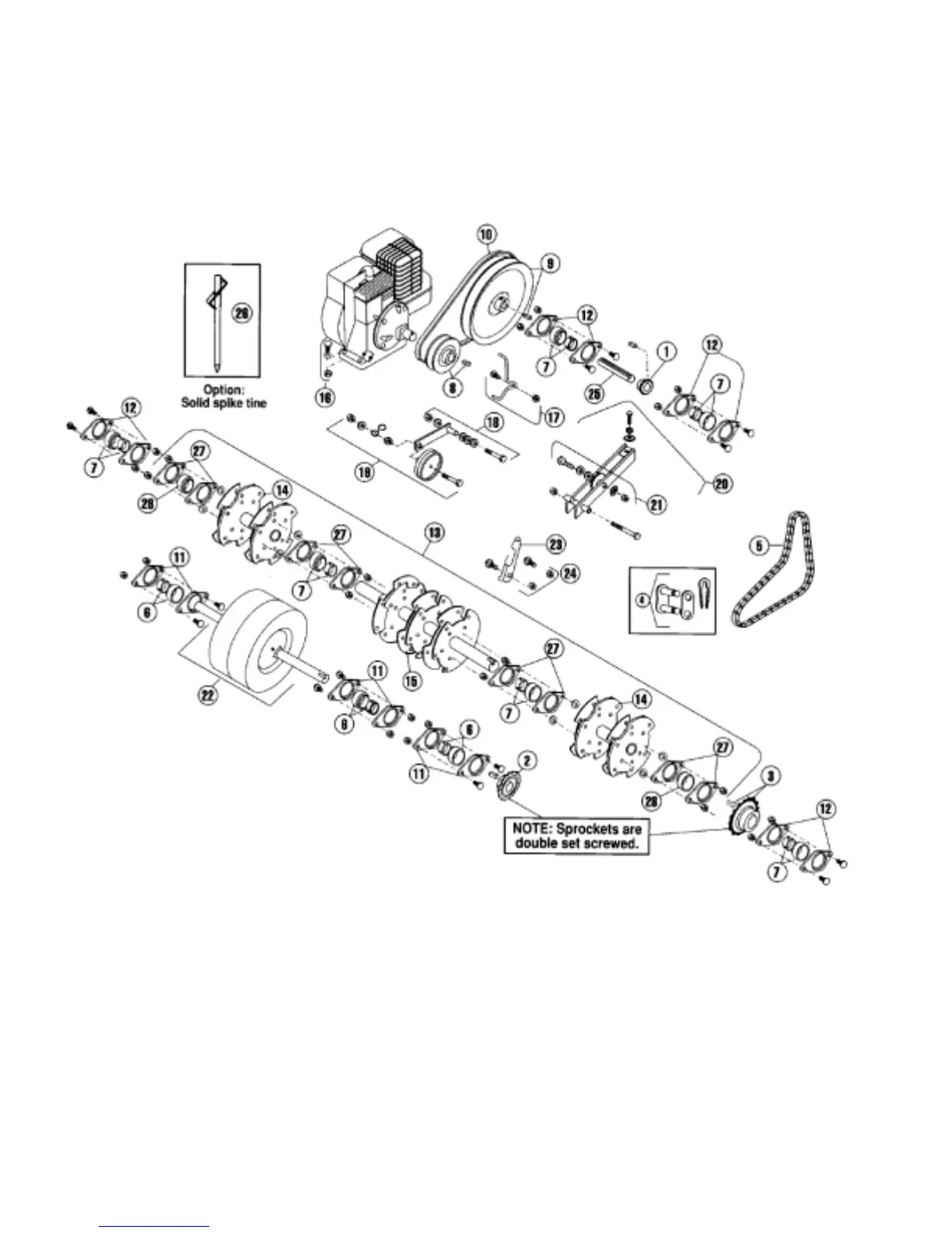
Parts Power Train & Tine Rotor - Model 742

Other manuals for Bluebird H424

Related product manuals