EasyManua.ls Logo

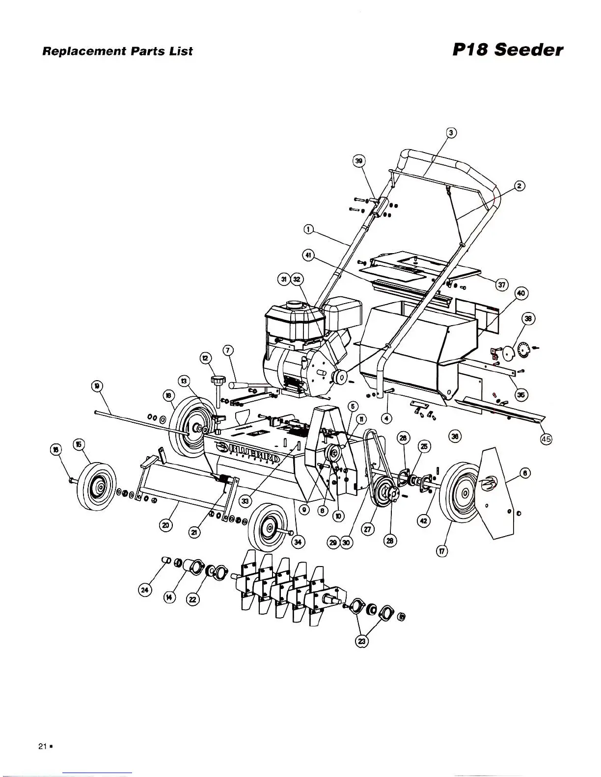
Bluebird P18 - P18 Seeder Replacement Parts List

Bluebird P18
36 pages
Print Icon
To Next Page IconTo Next Page
To Next Page IconTo Next Page
To Previous Page IconTo Previous Page
To Previous Page IconTo Previous Page
Loading...

Related product manuals