EasyManua.ls Logo

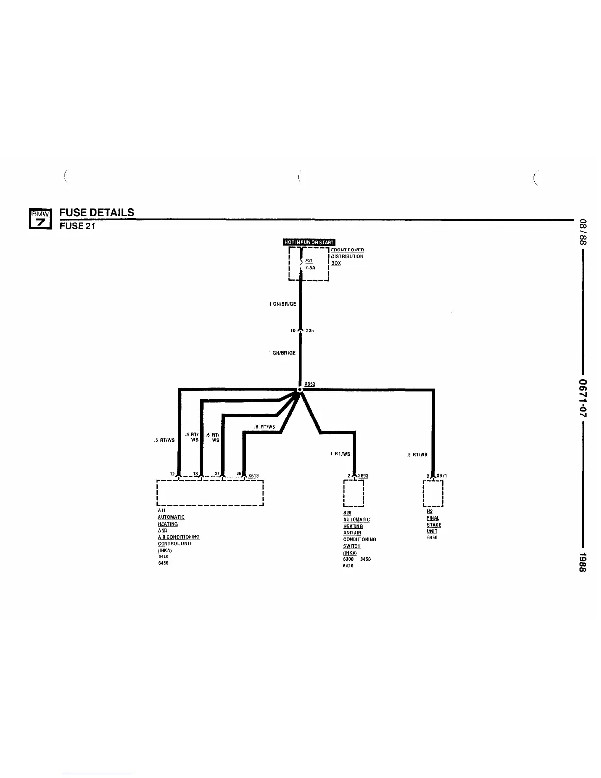
BMW 735i - Fuse 21 Details

BMW 735i
495 pages
Print Icon
To Next Page IconTo Next Page
To Next Page IconTo Next Page
To Previous Page IconTo Previous Page
To Previous Page IconTo Previous Page
Loading...

Related product manuals