EasyManua.ls Logo

Boeing B767 - Page 146

Boeing B767
324 pages
Print Icon
To Next Page IconTo Next Page
To Next Page IconTo Next Page
To Previous Page IconTo Previous Page
To Previous Page IconTo Previous Page
Loading...
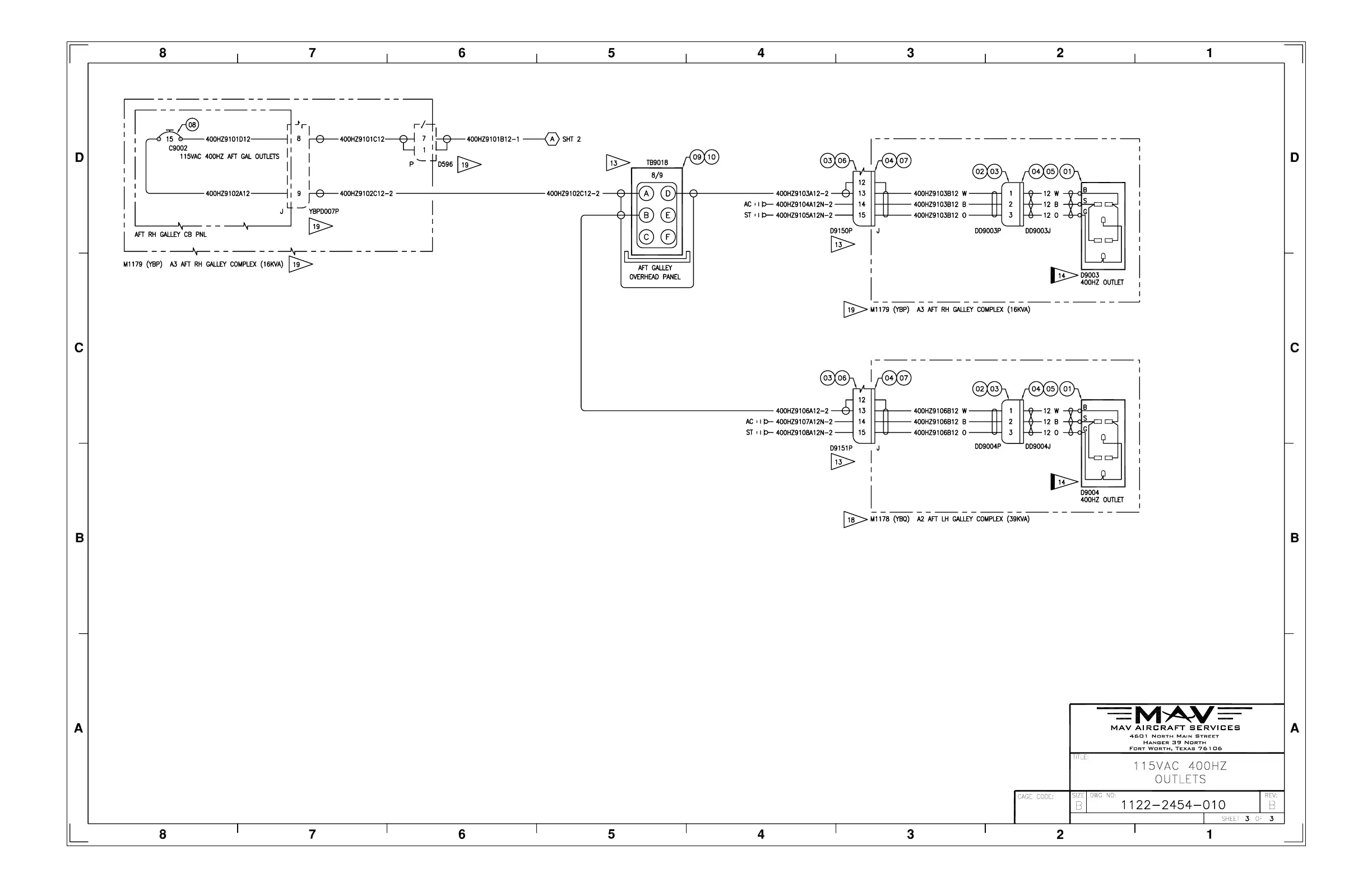
Polaris 767 Wiring Diagram Manual (WDM)
ATA 24 ELECTRICAL POWER
Date: 26 JUL 2013 Page 19

Table of Contents