EasyManua.ls Logo

Boeing B767 - Page 201

Boeing B767
324 pages
Print Icon
To Next Page IconTo Next Page
To Next Page IconTo Next Page
To Previous Page IconTo Previous Page
To Previous Page IconTo Previous Page
Loading...
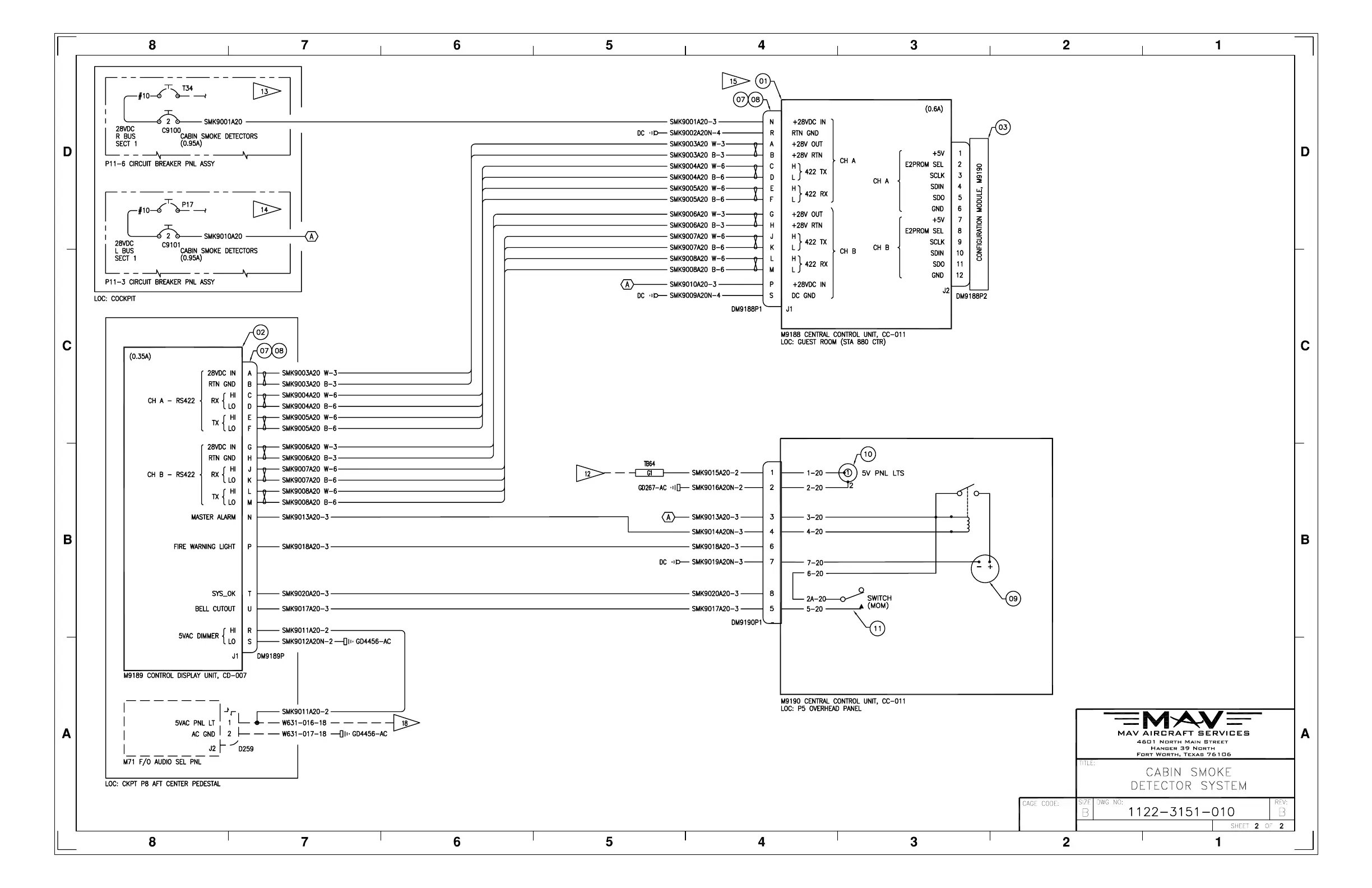
Polaris 767 Wiring Diagram Manual (WDM) Supplement
EFFEC TIVITY: 673BF
ATA 31 INDICATING/RECORDING SYSTEMS
Date: 26 JUL 2013 Page 2

Table of Contents