EasyManua.ls Logo

Bogen PCMCPU - Page 21

Bogen PCMCPU
24 pages
Print Icon
To Next Page IconTo Next Page
To Next Page IconTo Next Page
To Previous Page IconTo Previous Page
To Previous Page IconTo Previous Page
Loading...
21
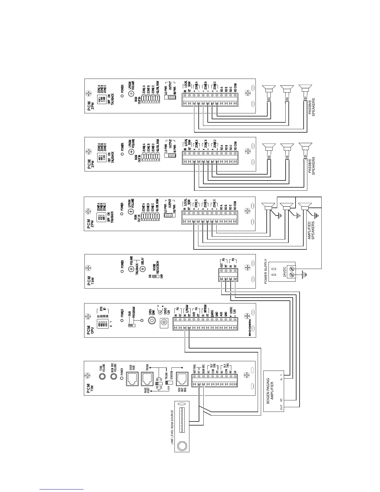
PCMCPU
ZONES 1-3
ZONES 4-6
ZONES 7-9
(ZONE 6 - Talkback)
(ZONES 8 & 9 - Talkback)
ZONE 6
ZONE 5
ZONE 4
ZONE 9
ZONE 8
ZONE 7
T/B T/B
T/B
T/B = Talkback Zone
9-Zone System