EasyManua.ls Logo

Booth EXL95H - Page 12

Default Icon
24 pages
Print Icon
To Next Page IconTo Next Page
To Next Page IconTo Next Page
To Previous Page IconTo Previous Page
To Previous Page IconTo Previous Page
Loading...
12
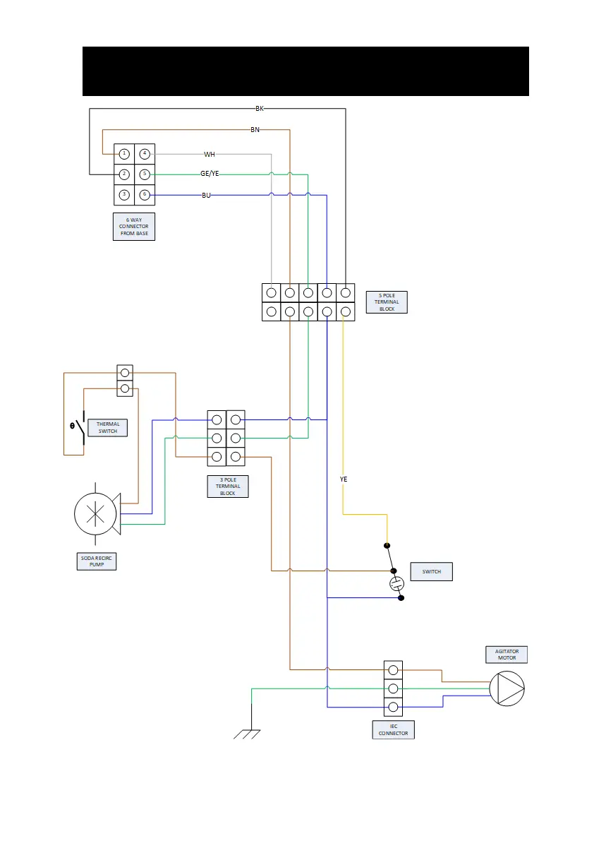
Schematics EXL95H/96H RV/MAG Drive Non Carb Deck Wiring