EasyManua.ls Logo

Booth EXL95H - Page 8

Default Icon
24 pages
Print Icon
To Next Page IconTo Next Page
To Next Page IconTo Next Page
To Previous Page IconTo Previous Page
To Previous Page IconTo Previous Page
Loading...
8
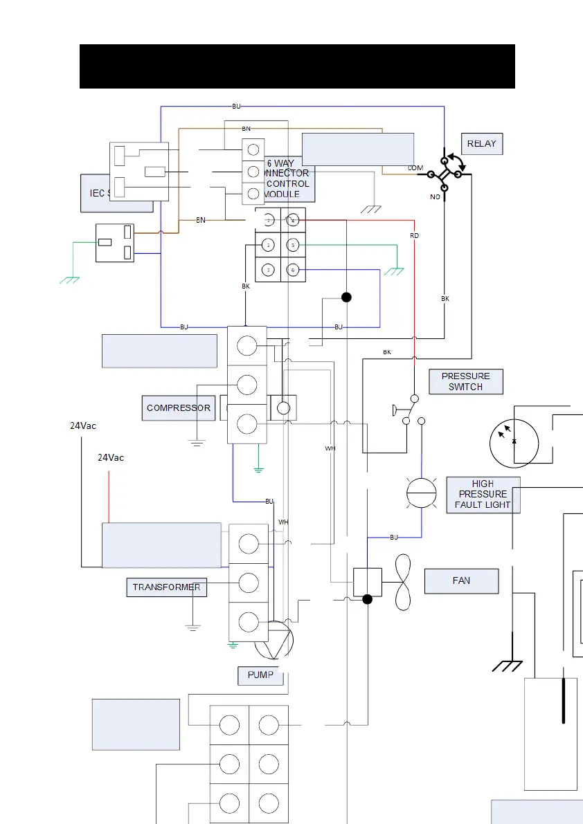
Schematics EXL96H Base Wiring
1
2
3
4
5
6
G/Y
BR
COMPRESSOR
FAN OR
GLYCOL PUMP
BU
BU
BU
BR
WH
WH
WH
BU
BU
CONTROL
MODULE
IEC TO DECK
1
2
3
BN
BU
BU
BN
BN
GN/YE
YE
BK
RD
LED
INDICATOR
NOTE: Earth connections omitted for clarity
BN
BU
BN
BU
GN/
YE
BN
BU
BN
t
o
CAN FILL PUMP
CONNECTOR
IEC FROM
BASE
TERMINAL
BLOCK
SODA RECIRC PUMP
THERMAL TRIP
SODA RECIRC PUMP
ILLUMINATED SWITCH
SODA RECIRC
PUMP
WATER INLET
VALVE
CARBONATOR CAN
AND LEVEL PROBE
GN/
YE
BN
BU
AGITATOR
MOTOR
5A
5A