EasyManua.ls Logo

Bort BBS-1010N - Page 16

Bort BBS-1010N
Print Icon
To Next Page IconTo Next Page
To Next Page IconTo Next Page
To Previous Page IconTo Previous Page
To Previous Page IconTo Previous Page
Loading...
16
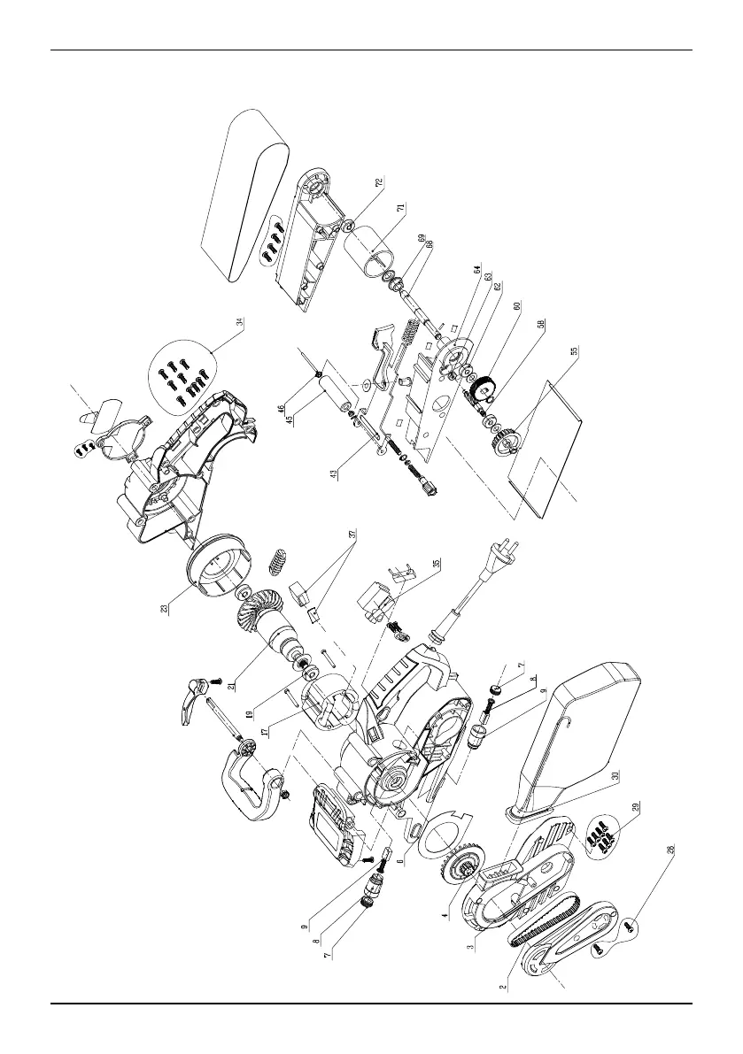
Exploded view BBS-1010N

Other manuals for Bort BBS-1010N

Related product manuals