EasyManua.ls Logo

Bosch FPA-5000 - Page 141

Bosch FPA-5000
326 pages
To Next Page IconTo Next Page
To Next Page IconTo Next Page
To Previous Page IconTo Previous Page
To Previous Page IconTo Previous Page
Loading...
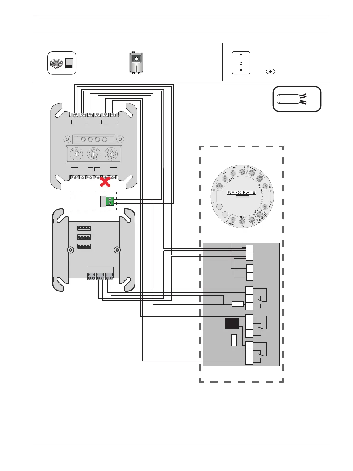
ASD 535-2
EN54-13
Reset
Uo
ASD 535-2
-+ -+
b1+ a- b2+
2+ 1/2- 1+
LSN
AUX
PWR IN
LSN AUX
OUT2/IN1
OUT1
or
EXT.PWR
+
+
+
FLM-420/4-CON-D
AUX
+
FPP-5000
BCM-000-B
4
AUX
CONV
820
FLM-320-
EOL2W
POWER CONV
Shield +U 0V b+ a-
R
V
P
FLM-320-EOL4W
AL I
AL II
18 17 16 15 14 13 12 11 10
St
+
-
820
Modular Fire Panel Wiring | en 141
Bosch Sicherheitssysteme GmbH Wiring Guide 2016.07 | 12.6 | F.01U.009.201

Other manuals for Bosch FPA-5000

Related product manuals