EasyManua.ls Logo

Bosch FPA-5000 - Page 143

Bosch FPA-5000
326 pages
To Next Page IconTo Next Page
To Next Page IconTo Next Page
To Previous Page IconTo Previous Page
To Previous Page IconTo Previous Page
Loading...
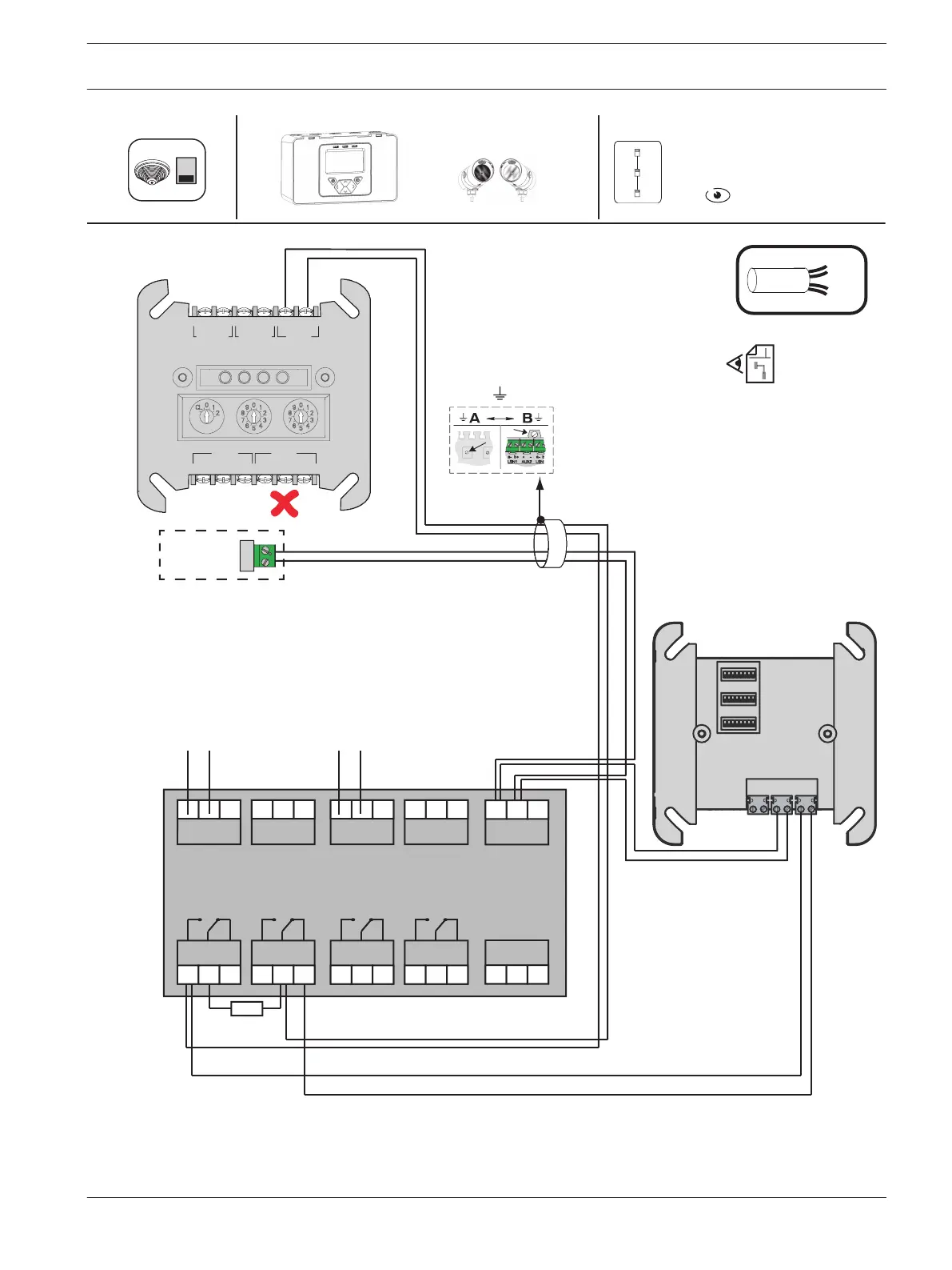
RX 1
820
TX 1
+ -
N/C
COM
N/O
A1
A2
A3
N/C
COM
N/O
B1
B2
B3
Alarm
Fault
Detector 1
N/C
COM
N/O
C1
C2
C3
N/C
COM
N/O
D1
D2
D3
Alarm
Fault
Detector 2
+ -
+ - + -
+ -
12V to 36V
RST
FIRERAY3000
POWER CONV
Shield +U 0V b+ a-
R
V
P
FLM-320-EOL4W
EN54-13
b1+ a- b2+
2+ 1/2- 1+
LSN
AUX
PWR IN
LSN AUX
OUT2/IN1
OUT1
or
EXT.PWR
+
+
+
FLM-420/4-CON-D
AUX
+
BCM-0000-B
LSN 0300 A
LSN 1500 A
FIRERAY3000
1 x
4
AUX
CONV
Reset action
Modular Fire Panel Wiring | en 143
Bosch Sicherheitssysteme GmbH Wiring Guide 2016.07 | 12.6 | F.01U.009.201

Other manuals for Bosch FPA-5000

Related product manuals