EasyManua.ls Logo

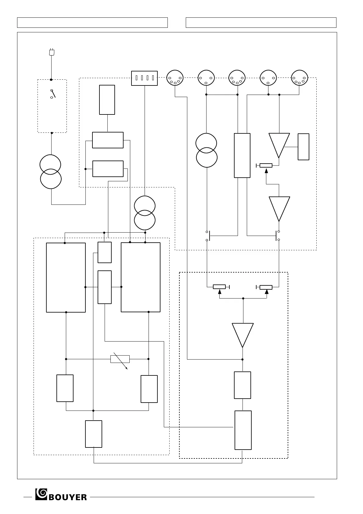
Bouyer AR 1402 - Block Diagram; AR 1402 Signal Flow

Bouyer AR 1402
6 pages
Print Icon
To Previous Page IconTo Previous Page
To Previous Page IconTo Previous Page
Loading...
Entres/
Inputs
AUX/MIC
Entres/
Inputs
AUX
Sortie/
Output
0 dB
0
4
70V
100V
Secteur/
Mains
MIC/AUX
Gestion priorit/
Priority control
Alim.
Power supply
Alim.
Power supply
C.R.
Bloc de puissance
Power amplifier
Bloc de puissance
N.P.N.
Power amplifier
Driver
Entre/
Input
Limiteur/
Limitor
Compresseur/
Compressor
230V
Rgulateur
Regulator
Protection
Driver
+
-
IX - SYNOPTIQUE AR 1402
IX - AR 1402 BLOCK DIAGRAM
6 AR 1402

Related product manuals