EasyManua.ls Logo

Broan NuTone C305 - Recommended New Construction Wiring; Replacing Existing 2-Note Chime Wiring

Broan NuTone C305
4 pages
Print Icon
To Next Page IconTo Next Page
To Next Page IconTo Next Page
To Previous Page IconTo Previous Page
To Previous Page IconTo Previous Page
Loading...
2
INSTALLATION (continued)
6. Connect wires to appropriate terminals.
7. Install two (2) alkaline 9-volt batteries, if appropriate for your application. Turn on
power at service entrance. Make sure pushbuttons operate chime properly. (Adjust
switch on circuit board for 4 or 8 chime tones at front door. Side and rear doors will
have 1 chime tone each.)
8. Hook cover over chime mechanism.
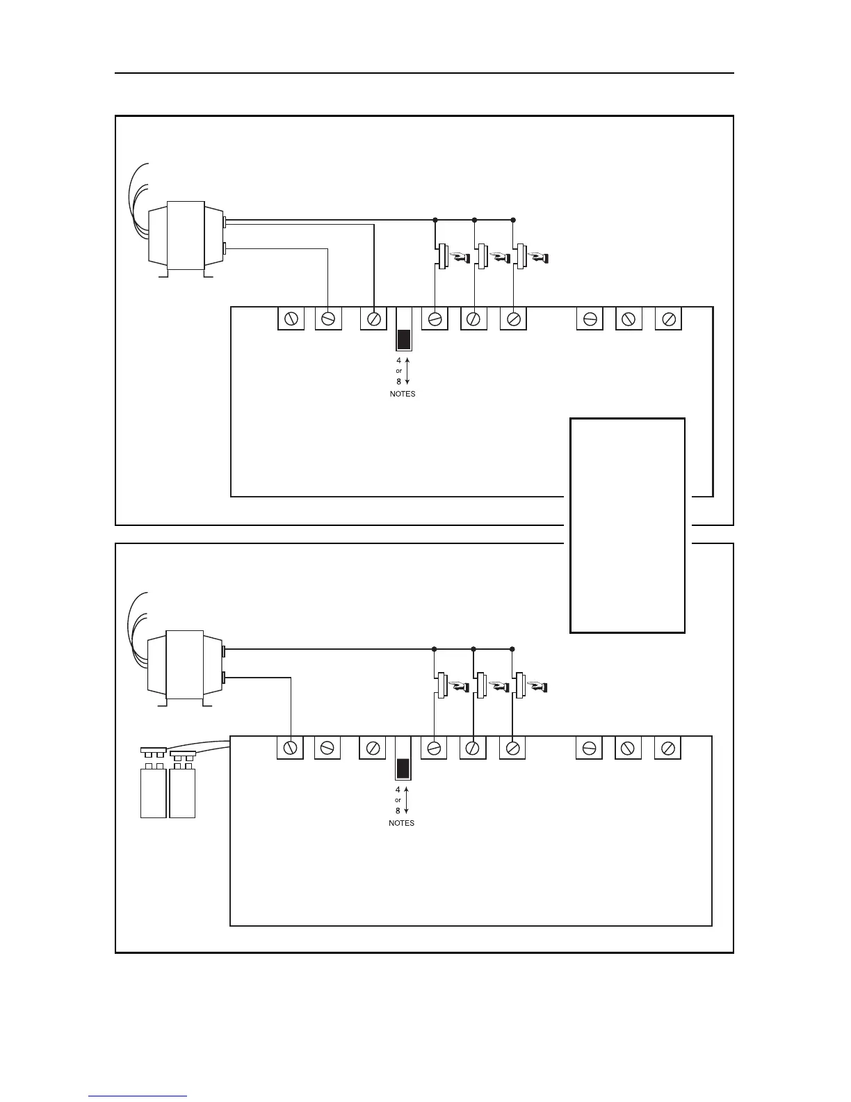
RECOMMENDED NEW CONSTRUCTION WIRING
REPLACING EXISTING 2-NOTE CHIME
F S R 1 2 3
Lighted or
Unlighted Buttons
Front Side Rear
Ground
120 Volt AC
16 VAC
Transformer
NOT USED
Volume Control
F S R 1 2 3
Lighted or
Unlighted Buttons
9V 9V
Front Side Rear
Ground
120 Volt AC
16 VAC
Transformer
Requires Two
9 Volt Batteries
NOT USED
Volume Control
Nine volt
batteries
not used
- OPTIONAL -
2 or 3 chimes can
be connected to a
single transformer.
2 chimes require
transformer
Model C909 or
C907.
3 chimes require
transformer
Model C907.