EasyManua.ls Logo

Brother EF4-B561 - Machine Base Plate Cut-out Drawing

Brother EF4-B561
25 pages
Print Icon
To Next Page IconTo Next Page
To Next Page IconTo Next Page
To Previous Page IconTo Previous Page
To Previous Page IconTo Previous Page
Loading...
C284
l
=F5t~m$~ffl:I.JOI~
(J7
Jv
~
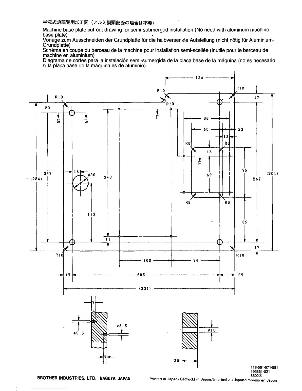
l¥~$~0)ijj.g.t;J::if'~)
Machine base plate cut-out drawing for semi-submerged installation (No need with aluminum machine
base
plate)
Vorlage
zum Ausschneiden der Grundplatte fur die halbversenkte Aufstellung (nicht notig fur Aluminium-
Grundplatte)
Schema
en coupe du berceau de Ia machine pour installation semi-scellee (Inutile pour le berceau de
machine
en
aluminium)
Diagrama de cortes para Ia instalaci6n semi-sumergida de Ia placa base de Ia maquina (no es necesario
si
Ia
placa base de
Ia
maquina es de aluminio)
RIO
~
RIO
~
~
'
"
RIO.
20
/"\
~
b
'~
b
I
I
I
R8
---
$
I
24-7
243
:-
30
RB
I
I
I
11
~
"''
1 1
I,{'\,,/
RIO
17
1~
1
..
I
100
~
285
C331)
'
~3.5
~3.5
*
'
134
RIO
/
,
/"'\..
'\,,./
88
..__
60
23
-
..
13
...
f-
f
Re
I~
~
16
~
~
I
95
69
I
-
~
~
"'Ra
.
85
I
I"'\.
'\..,./
.~
..
RLO
94
2~
-10
17
(30
lJ
267
17
'
118-561·571·581
192561-021
BROTHER INDUSTRIES, L
TO.
NAGOYA,
JAPAN
.
8602CD
Printed in
Japan/Gedruckt
i'l
Japan/lmprime
au
Japon/lmpreso
en Jap6n
From the library of: Superior Sewing Machine & Supply LLC

Table of Contents

Other manuals for Brother EF4-B561

Related product manuals