EasyManua.ls Logo

BRP EXPEDITION - Page 111

BRP EXPEDITION
502 pages
Print Icon
To Next Page IconTo Next Page
To Next Page IconTo Next Page
To Previous Page IconTo Previous Page
To Previous Page IconTo Previous Page
Loading...
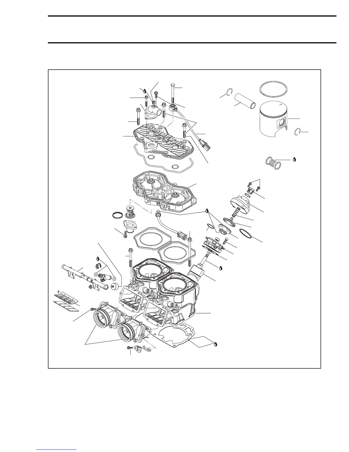
Section 03 ENGINES
Subsection 05 (TOP END)
593 HO SDI Engine
A33C2R S
25
27
26
25
Engine
oil
Loctite 518
16
15
5.5 Nm
(49 lbfin)
5.5 Nm
(49 lbfin)
16
3
1.5 Nm
(13 lbfin)
9 Nm
(80 lbfin)
5.5 Nm
(49 lbfin)
Multi-purpose
grease
24
40 Nm
(30 lbfft)
22
7.5 Nm
(66 lbfin)
40 Nm
(30 lbfft)
23
2
11
9
6
8
12
Engine oil
5
13
5.5 Nm
(49 lbfin)
Sealing
compound
Drei Bond
5.5 Nm
(49 lbfin)
9 Nm
(80 lbfin)
7.5 Nm
(66 lbfin)
23 Nm
(17 lbfft)
29 Nm
(21 lbfft)
29 Nm
(21 lbfft)
Sealing
compound
Drei Bond
20
21
1
19
21
21
29 Nm
(21 lbfft)
28
4
7
14
10
3 Nm
(27 lbfin)
29
mmr2005-072 95

Table of Contents

Related product manuals