EasyManua.ls Logo

BRP EXPEDITION - Page 126

BRP EXPEDITION
502 pages
Print Icon
To Next Page IconTo Next Page
To Next Page IconTo Next Page
To Previous Page IconTo Previous Page
To Previous Page IconTo Previous Page
Loading...
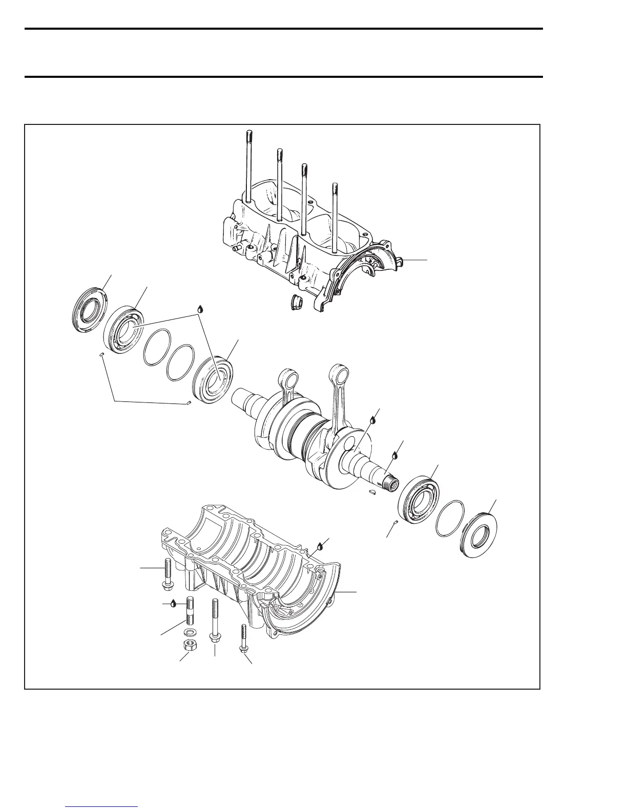
Section 03 ENGINES
Subsection 06 (BOTTOM END)
377 Engine
A03C3XS
Anti-seize
lubricant
27 Nm
(20 lbfft)
11 Nm
(97 lbfin)
5
2
4
6
2
1
3
40 Nm
(29 lbfft)
Loctite 243
Loctite 5910
3
6
Loctite 243
27 Nm
(20 lbfft)
11 Nm
(97 lbfin)
Anti-seize
lubricant
110 mmr2005-073

Table of Contents

Related product manuals