EasyManua.ls Logo

BRP EXPEDITION - Page 160

BRP EXPEDITION
502 pages
Print Icon
To Next Page IconTo Next Page
To Next Page IconTo Next Page
To Previous Page IconTo Previous Page
To Previous Page IconTo Previous Page
Loading...
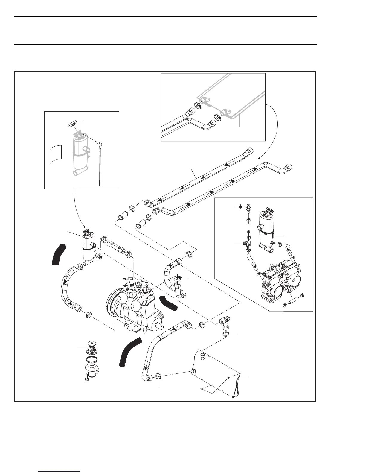
Section 03 ENGINES
Subsection 08 (COOLING SYSTEM)
Summit Models
A33C30S
5
1
6
12
2
11
8
2
Loctite
592
10
13
10
14
144 mmr2005-074

Table of Contents

Related product manuals